E
EPC Data

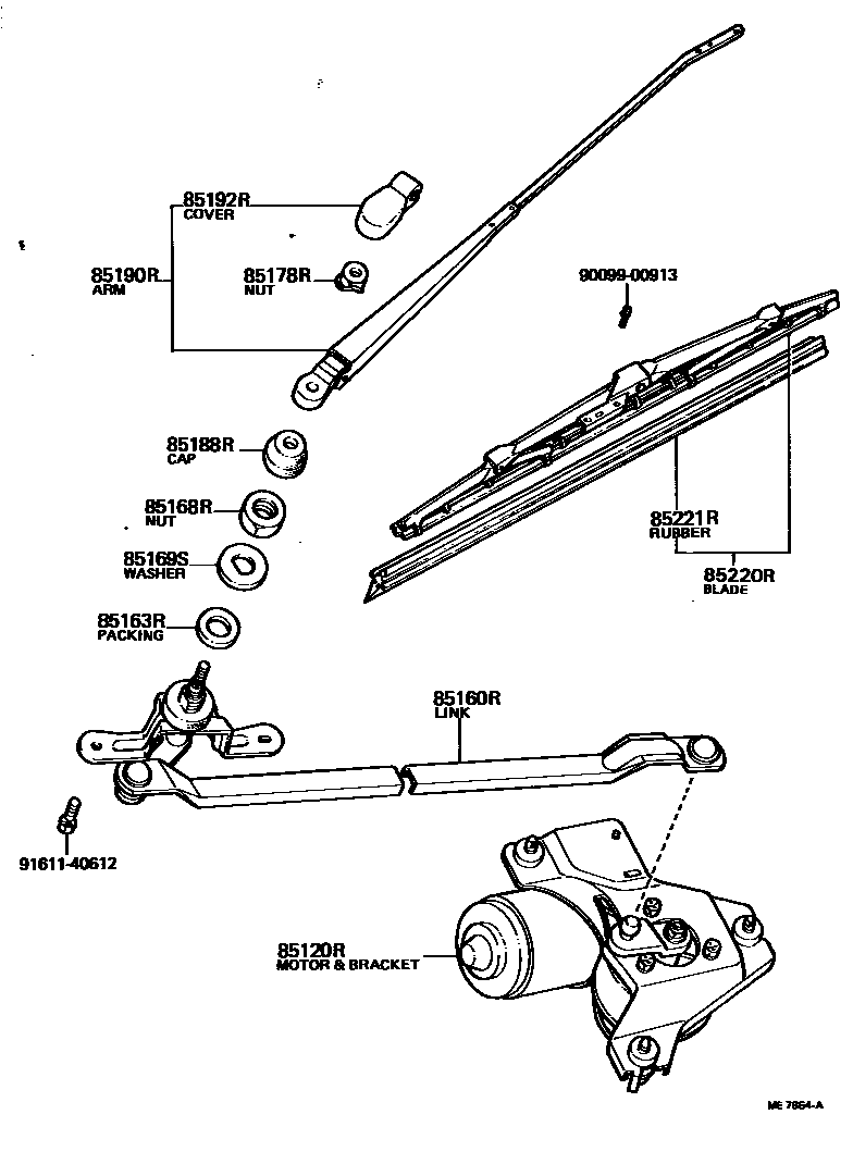
REAR WIPER

Parts diagram
85120RMOTOR AND BRACKET ASSY, REAR WIPER
main85120-12130i197903-198304
main85120-13020i197908-198308
main85120-13030i198308-198707
85160RLINK ASSY, REAR WIPER
main85160-12251i197903-198304
main85160-13020i197908-198404
main85160-13050i198404-198707
85163RPACKING, REAR WIPER PIVOT, NO.1
main85174-12320i197903-198304
main85176-96440i197908-198707
85168RNUT, REAR WIPER LINK PIVOT, NO.1
main85186-13011i197908-198707
main90099-05141i197903-198304
85169SWASHER, REAR WIPER LINK PIVOT, NO.2
main90099-01458i197903-198304
85178RNUT (FOR REAR WIPER ARM SETTING)
main90179-06158i197903-198707
85188RCAP, REAR WIPER PIVOT, NO.1
main85178-12320i197903-198304
85190RARM ASSY, REAR WIPER
main85190-12440i197903-198304
main85190-13020i197908-198304
main85190-13030i198304-198412
main85190-13040i198412-198508
main85190-13050i198508-198707
main85190-14210i197903-198304
85192RCOVER, REAR WIPER ARM
main85192-14020i197903-198707
85220RBLADE ASSY, REAR WIPER
main85220-12310i197903-198304
main85220-14110i197903-198105
main85220-20080i198403-198610
WINTER BLADE
main85220-22370i198304-198508
main85220-22520i198508-198707
main85220-90K00i198610-198707
WINTER BLADE
85221RBLADE, REAR WIPER
main85221-12170i198508-198707
main85221-20060i197903-198304
main85221-87002i198304-198508
9009900913
9161140612

13 parts on this diagram · 2 diagrams in section

REAR WIPER — Toyota Parts Diagram with OEM Numbers & Prices | EPC Data