WIRING & CLAMP

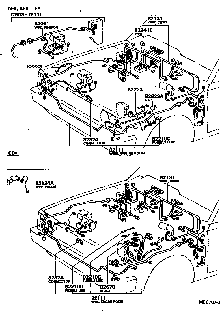
82031WIRE SUB-ASSY, IGNITION COIL
82111WIRE, ENGINE ROOM MAIN
COLD SPEC
COLD SPEC
82124WIRE, ENGINE, NO.4
82124AWIRE, ENGINE, NO.5
82131WIRE, COWL
82210CFUSIBLE LINK
BATTERY TO STARTER CABLE
RADIATOR FAN,EG ROOM MAIN WIRE
BATTERY TO STARTER CABLE
82210DFUSIBLE LINK
82233WIRE, COMPUTER
82241CWIRE, RELAY
82823CAP, TERMINAL, NO.1
82823ACAP, TERMINAL, NO.2
82824CONNECTOR, WIRING HARNESS
13 parts on this diagram · 10 diagrams in section