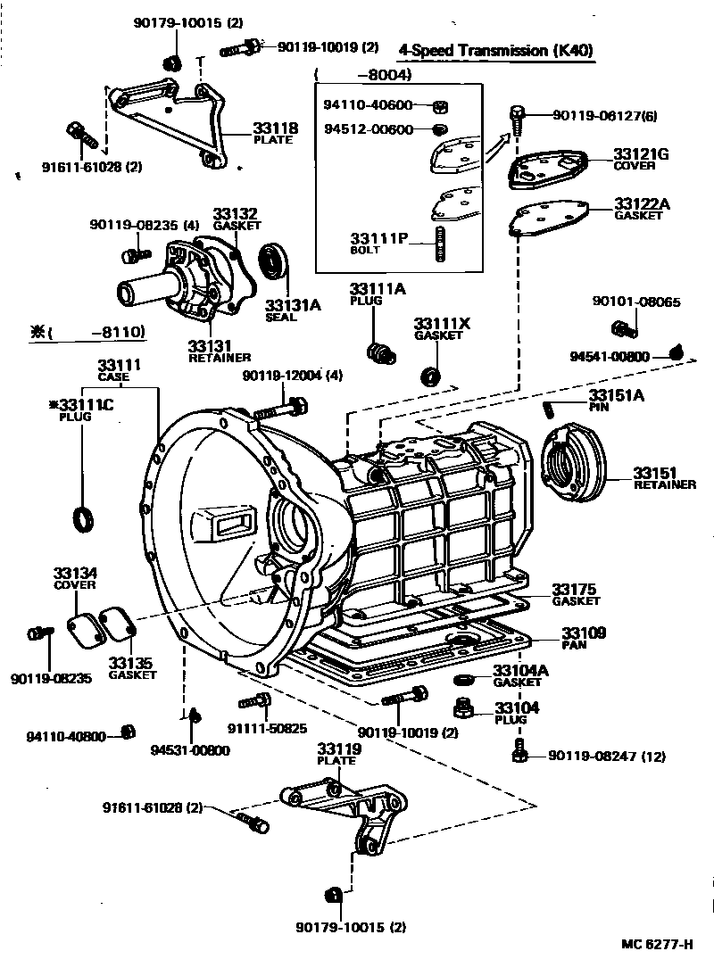
CLUTCH HOUSING & TRANSMISSION CASE (MTM)

33104PLUG SUB-ASSY, DRAIN(MTM)
33104AGASKET, DRAIN PLUG(MTM)
33109PAN SUB-ASSY, TRANSMISSION OIL(MTM)
33111CASE, MANUAL TRANSMISSION
33111APLUG, MANUAL TRANSMISSION CASE
33111CPLUG(FOR TRANSMISSION CASE)
33111PBOLT, STUD(FOR TRANSMISSION CASE COVER SETTING)
33111XGASKET, TRANSMISSION CASE PLUG
33118PLATE, STIFFENER, RH(MTM)
33119PLATE, STIFFENER, LH(MTM)
33121GCOVER, MANUAL TRANSMISSION CASE
33122AGASKET, MANUAL TRANSMISSION CASE COVER
33131RETAINER, BEARING, FRONT(MTM)
33131ASEAL, OIL(FOR TRANSMISSION FRONT BEARING RETAINER)
33132GASKET, FRONT BEARING RETAINER(MTM)
T=0.5
T=0.3
33134COVER, TRANSMISSION COUNTERSHAFT
33135GASKET, COUNTERSHAFT COVER(MTM)
33151RETAINER, OUTPUT SHAFT REAR BEARING(MTM)
33151APIN, SLOTTED SPRING(FOR OUTPUT SHAFT REAR BEARING RETAINER)
33175GASKET, MANUAL TRANSMISSION OIL PAN
9010108065
main90101-08065
9011906127
main90119-06127
9011908235
main90119-08235
9011908247
main90119-08247
9011910019
main90119-10019
9011912004
main90119-12004
9017910015
main90179-10015
9111150825
main91111-50825
9161161028
main91611-61028
9411040600
main94110-40600
9411040800
main94110-40800
9451200600
main94512-00600
9453100800
main94531-00800
9454100800
main94541-00800
34 parts on this diagram · 7 diagrams in section