E
EPC Data

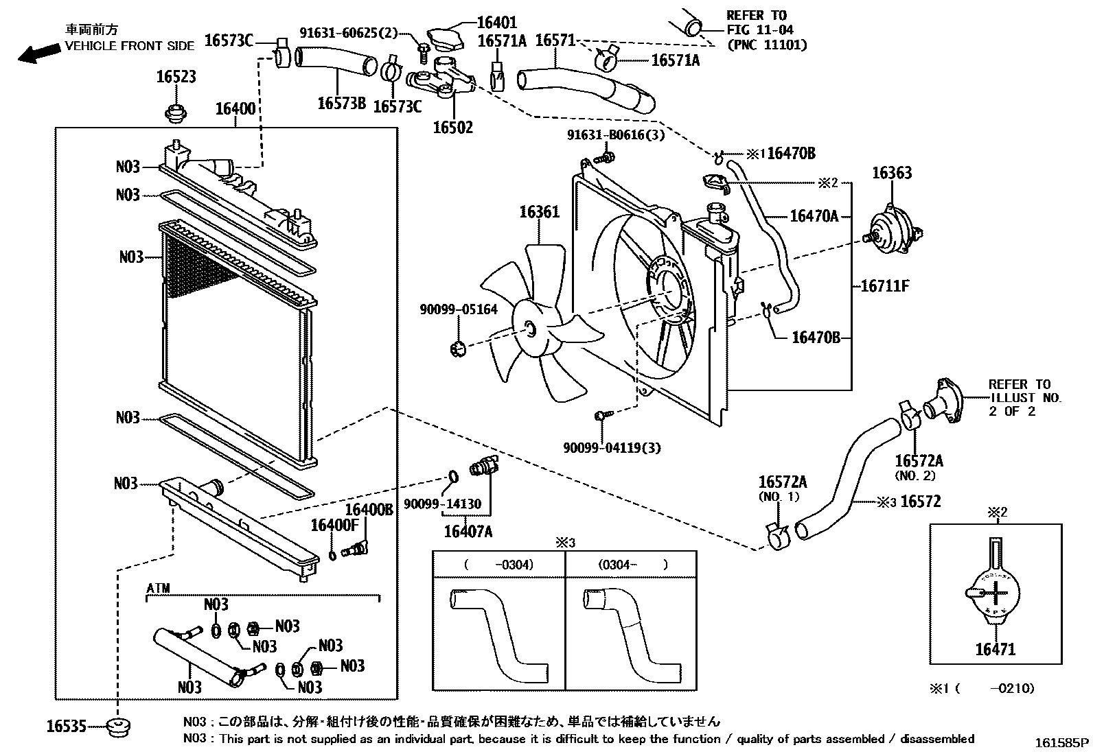
RADIATOR & WATER OUTLET

Parts diagram
1104CYLINDER HEAD
16361FAN
main16361-21050i200311
main16361-21080i200206
main16361-23050i200206-200310
16363MOTOR, COOLING FAN
main16363-21050i200307-201103
main16363-23020i200206-200304
main16363-23030i200206-200306
main16363-28150i200305
main16363-28160i200306
16400RADIATOR ASSY
main16400-21070i200206-200304
main16400-21071i201211-201409
main16400-21080i200206-200304
main16400-21081i201211-201409
main16400-21100i200206-200304
main16400-21120i200206-201210
main16400-21121i201211-201409
main16400-33080i200304-200708
16400BPLUG, RADIATOR DRAIN COCK
main23322-54010i200206-200304
16400FPACKING(FOR RADIATOR DRAIN COCK)
main16492-21050i200206-200304
16401CAP SUB-ASSY, RADIATOR
main16401-31480i200807
main16401-62100i200206-200304
16407ACOCK SUB-ASSY, RADIATOR DRAIN
main16407-7A130i200206-200304
16470TANK ASSY, RADIATOR RESERVE
main16480-33010i200304-200708
16470AHOSE OR PIPE(FOR RADIATOR RESERVE TANK)
main16377-21020i200512
main16472-33010i200304-200708
main90445-12078i200206-200304
16470BCLAMP OR CLIP(FOR RADIATOR RESERVE TANK HOSE)
main90467-11085×2i200206-200210
16471CAP SUB-ASSY, RESERVE TANK
main16471-23010i200206-200304
main16471-23030i200512
16502FILLER SUB-ASSY, WATER
main16502-21020i200206-200304
16523CUSHION, SUB-RADIATOR SUPPORT
main16523-23010×2i200206-200304
16535SUPPORT, RADIATOR, LOWER
main90480-40016×2i200206-200304
16571HOSE, RADIATOR, INLET
main16571-21060i200206
main16571-21070i200304
main16571-33030i200206
main16571-33050i200304
16571ACLAMP OR CLIP, HOSE(FOR RADIATOR INLET)
main90467-33006×2i200206-200304
16572HOSE, RADIATOR, OUTLET
main16572-21050i201210
main16572-33030i200304-201210
16572ACLAMP OR CLIP, HOSE(FOR RADIATOR OUTLET NO.1)
main90467-33006i200206-200304
main90467-34004i200206
16573BHOSE, RADIATOR, NO.3
main16573-21020i200206-200304
16573CCLAMP OR CLIP, RADIATOR HOSE, NO.3
main90467-33006×2i200206
16711SHROUD, FAN
main16711-33030i200304-200708
16711FSHROUD, FAN(W/RADIATOR RESERVE TANK)
main16711-21030i200206-200304
main16711-21120i200512-200803
main16711-21121i200804-201409
9009904119
9009905164
9009914130
9163160625
91631B0616

28 parts on this diagram · 8 diagrams in section

RADIATOR & WATER OUTLET — Toyota Parts Diagram with OEM Numbers & Prices | EPC Data