E
EPC Data

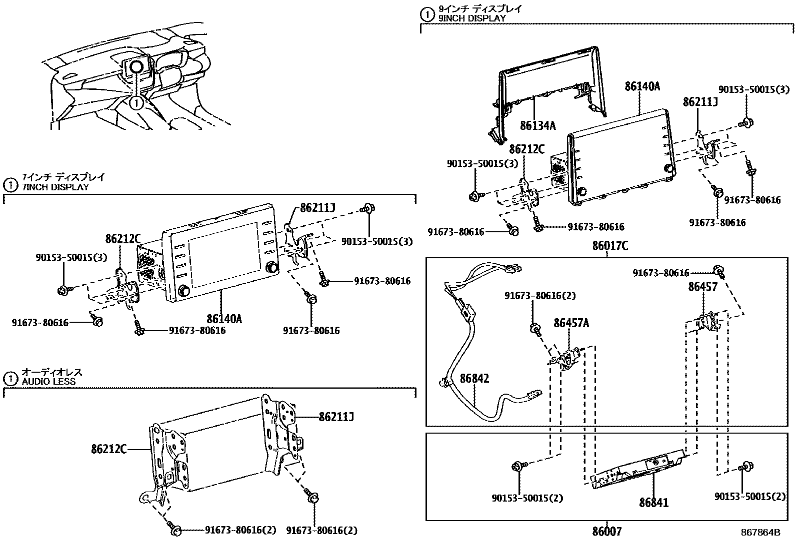
NAVIGATION & FRONT MONITOR DISPLAY

Parts diagram
86007COMPUTER SET, NAVIGATION
main86007-12010i202107-202208
main86007-52010i201909-202208
main86007-52020i201909-202208
86017CFITTING SET, NAVIGATION SETTING
main86017-12010i201909-202208
86134APARTS, MULTI-DISPLAY
main86134-12030i201909-202005
86140ARECEIVER ASSY, RADIO & DISPLAY
main86100-12C40-B0i202210-202211
main86100-12C41-B0i202212-202304
main86100-12C42-B0i202305-202307
main86100-12C43-B0i202308-202312
main86100-12C44-B0i202401-202404
main86100-12C45-B0i202405-202411
main86100-12C46supersedes 86140-12D36i202412-202505
main86100-12C46-B0i202412
main86140-12510supersedes 86140-12841i201911-202107
main86140-12510-B0i201909-201911
main86140-12511supersedes 86140-12841i202107-202111
main86140-12511-B0i202111
main86140-12511-B1i202111
main86140-12850supersedes 86140-12841i201909-202107
main86140-12851supersedes 86140-12841i202107-202111
main86140-12851-B0i202111
main86140-12851-B1i202111
main86140-12D30supersedes 86140-12D35i202210-202306
main86140-12D32supersedes 86140-12D35i202306-202307
main86140-12D33supersedes 86140-12D35i202308-202312
main86140-12D34supersedes 86140-12D35i202401-202404
main86140-12D35supersedes 86140-12D36i202405-202411
main86140-12D36i202412
86211JBRACKET, RADIO RECEIVER, NO.1
main86211-12470i201909-202005
main86211-12490supersedes 86211-12470i201806-201909
86212CBRACKET, RADIO RECEIVER, NO.2
main86212-12460i201909
main86212-12480supersedes 86212-12460i201806-201909
86457BRACKET, MULTI-MEDIA MODULE NO.1
main86457-12010i201909-202208
86457ABRACKET, MULTI-MEDIA MODULE NO.2
main86457-12020i201909-202208
86841COMPUTER, NAVIGATION
main86840-12030i201909-202004
main86840-12050i202107-202108
main86840-12051i202109-202203
main86840-12052i202204-202207
main86840-K0031i201909-202003
main86840-K0032i202004-202008
main86840-K0033i202009-202103
main86840-K0034i202104-202108
main86840-K0035i202109-202203
main86840-K0036i202204-202208
main86840-K0041i201909-202003
main86840-K0042i202004-202008
main86840-K0043i202009-202103
main86840-K0044i202104-202108
main86840-K0045i202109-202203
main86840-K0046i202204-202208
86842WIRE, NAVIGATION, NO.1
main86842-12040i201909-202208
9015350015
9167380616

12 parts on this diagram · 3 diagrams in section

NAVIGATION & FRONT MONITOR DISPLAY — Toyota Parts Diagram with OEM Numbers & Prices | EPC Data