E
EPC Data

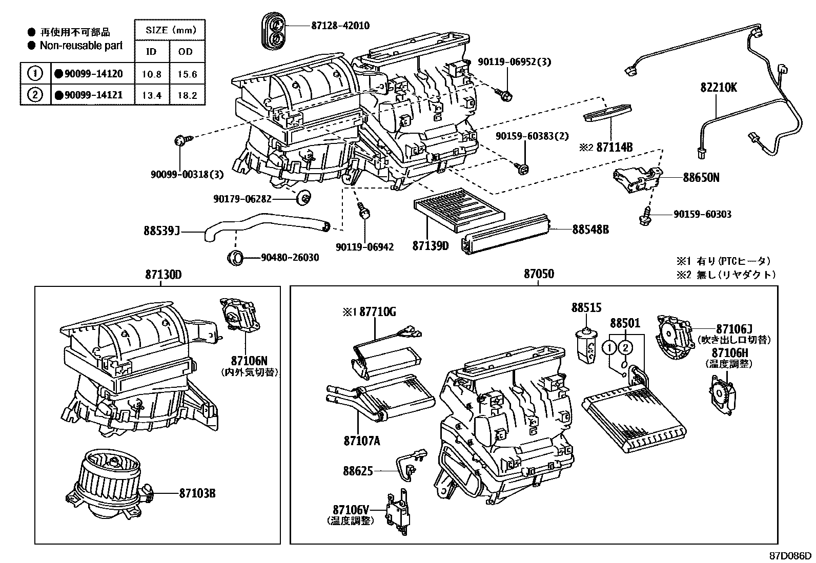
HEATING & AIR CONDITIONING - COOLER UNIT

Parts diagram
82210KHARNESS ASSY, AIR CONDITIONER
main82212-12040i201208-201503
87050RADIATOR ASSY, AIR CONDITIONER
main87050-12330supersedes 87050-12311i201208-201503
main87050-12750i201604
main87050-12311i201503
main87050-12320i201503
main87050-12340i201503
87103BMOTOR SUB-ASSY, BLOWER W/FAN
main87103-42081supersedes 87103-42070i201208-201503
main87103-42070i201208-201503
87106HSERVO SUB-ASSY, DAMPER(FOR AIRMIX)
main87106-12170i201208-201410
main87106-47170i201411-201503
87106JSERVO SUB-ASSY, DAMPER(FOR MODE)
main87106-42100i201208-201503
87106NSERVO SUB-ASSY, DAMPER(FOR RECIRCULATION)
main87106-42120supersedes 87106-42110i201208-201503
main87106-42110i201503
87106VSERVO SUB-ASSY, DAMPER(FOR AIRMIX NO.2)
main87106-42090i201208-201410
main87106-75010i201503
87107AUNIT SUB-ASSY, HEATER RADIATOR
main87107-42170i201503
87114BCOVER, HEATER
main87114-12080i201208-201503
87130DBLOWER ASSY
main87130-12511supersedes 87130-12431i201208-201503
main87130-12521i201503
main87130-12431i201503
main87130-12471supersedes 87130-12521i201208-201503
87139DELEMENT, AIR REFINER
main87139-50100i201208-201503
main87139-52040i201208-201503
87710GQUICK HEATER ASSY
main87710-12010i201503
88501EVAPORATOR SUB-ASSY, COOLER, NO.1
main88501-72020i201208-201503
main88501-75010i201604
88515VALVE, COOLER EXPANSION
main88515-12100i201208-201503
88539JHOSE, DRAIN COOLER
main88539-12210i201503
88548BCASE, AIR FILTER
main88548-42010i201503
88625THERMISTOR, COOLER, NO.1
main88625-26090i201208-201503
88650NAMPLIFIER ASSY, AIR CONDITIONER
main88650-12A70i201503
main88650-12G40supersedes 88650-12G60i201208-201503
main88650-12G70i201604
main88650-12E80i201503
main88650-12F90i201503
main88650-12G50i201208-201503
main88650-12G60i201208-201503
8712842010GROMMET, HEATER
9009900318
9009914120
9009914121
9011906942
9011906952
9015960303
9015960383
9017906282
9048026030

28 parts on this diagram · 2 diagrams in section

HEATING & AIR CONDITIONING - COOLER UNIT — Toyota Parts Diagram with OEM Numbers & Prices | EPC Data