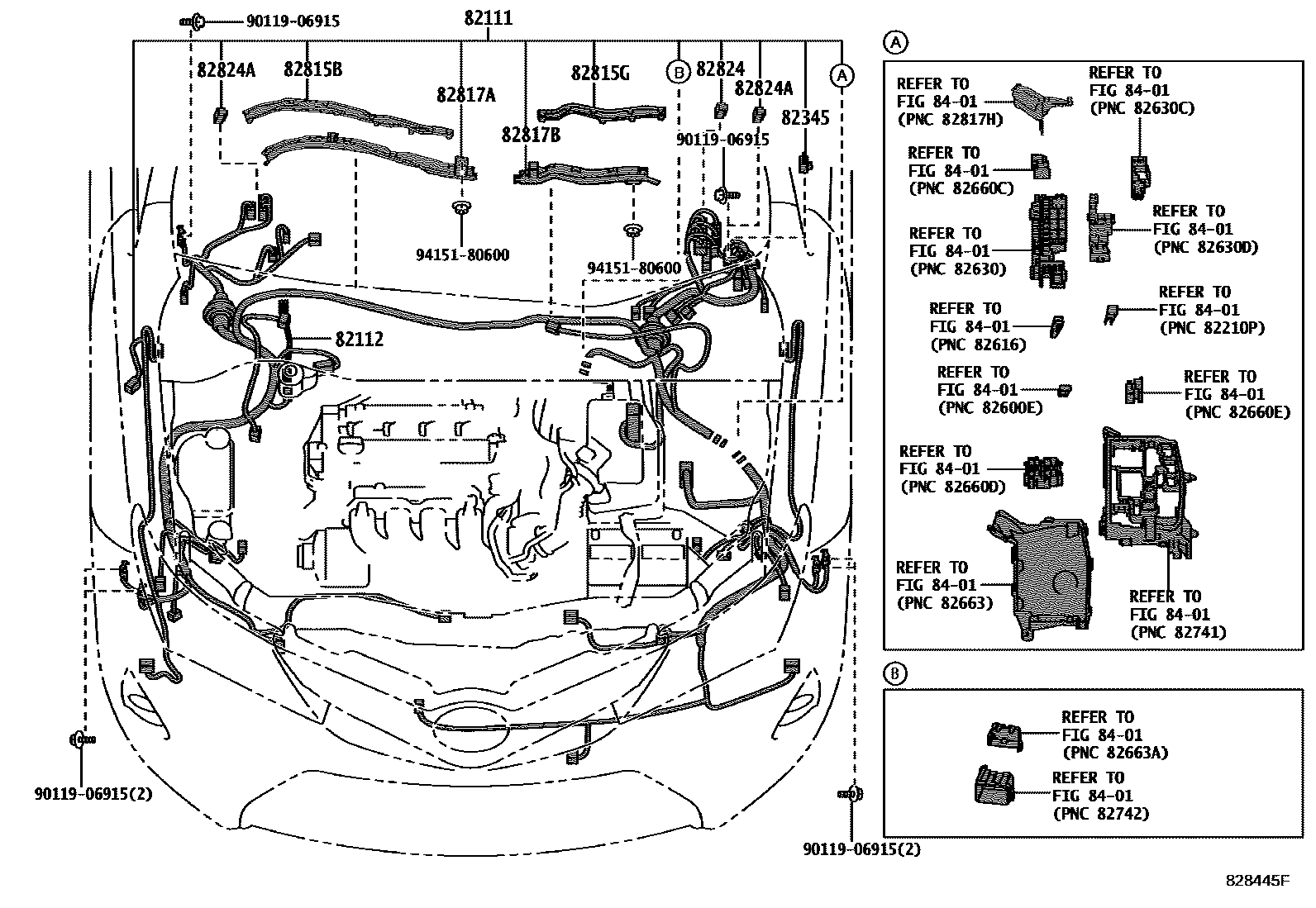
WIRING & CLAMP

82111WIRE, ENGINE ROOM MAIN
82112WIRE, ENGINE ROOM, NO.2
82345DIODE
82815BCOVER, WIRING HARNESS PROTECTOR
82815GCOVER, WIRING HARNESS PROTECTOR NO.5
82817PROTECTOR, WIRING HARNESS, NO.1
82817APROTECTOR, WIRING HARNESS, NO.2
82817BPROTECTOR, WIRING HARNESS, NO.3
82824CONNECTOR, WIRING HARNESS
82824ACONNECTOR, WIRING HARNESS
8401SWITCH & RELAY & COMPUTER
9011906915
main90119-06915
9415180600
main94151-80600
13 parts on this diagram · 14 diagrams in section