E
EPC Data

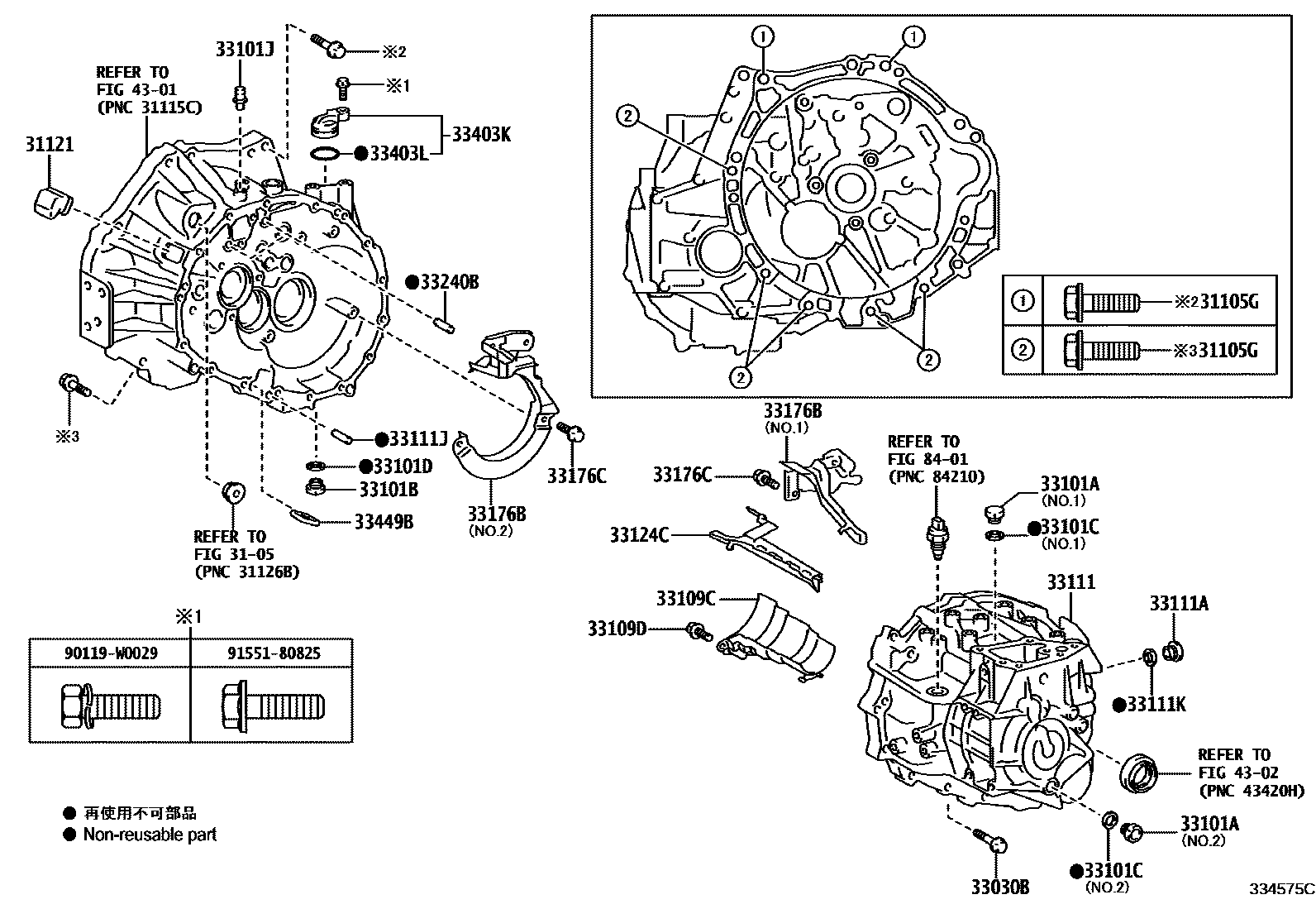
CLUTCH HOUSING & TRANSMISSION CASE (MTM)

Parts diagram
3105
31105GBOLT(FOR TRANSAXLE CASE & ENGINE SETTING)
main91552-81045i201208-201503
31121COVER, CLUTCH HOUSING, NO.1
main31121-52020i201208-201503
33030BBOLT(FOR TRANSAXLE CASE & TRANSMISSION CASE SETTING)
main91551-10840i201208-201503
33101APLUG(FOR MANUAL TRANSMISSION FILLER)
main90341-14032i201208-201503
main90341-18033i201208-201503
33101BPLUG(FOR MANUAL TRANSMISSION DRAIN)
main90341-18016i201208-201305
main90341-18023i201305-201503
33101CGASKET(FOR MANUAL TRANSMISSION FILLER PLUG)
main12157-10010i201305-201503
main90430-14003i201208-201503
main90430-18008i201208-201305
33101DGASKET(FOR MANUAL TRANSMISSION DRAIN PLUG)
main12157-10010i201305-201503
main90430-18008i201208-201305
33101JPLUG, BREATHER
main90930-03133i201208-201503
33109CSEPARATOR SUB-ASSY, MANUAL TRANSMISSION OIL
main33109-20020i201208-201505
main33109-52010i201505
33109DBOLT(FOR MANUAL TRANSMISSION OIL SEPARATOR)
main91551-80816i201208-201503
33111CASE, MANUAL TRANSMISSION
main33111-12291i201208-201802
main33111-12292i201802
33111APLUG, MANUAL TRANSMISSION CASE
main90341-18006i201208-201503
33111JPIN, STRAIGHT(FOR MANUAL TRANSMISSION CASE)
main90250-08054i201208-201503
33111KGASKET(FOR TRANSMISSION CASE)
main12157-10010i201305-201503
main90430-18008i201208-201305
33124CPIPE, OIL RECEIVER, NO.1(MTM)
main33124-20080i201208-201503
33176BSEPARATOR, TRANSMISSION OIL(MTM)
main33176-20080i201208-201503
main33176-20090i201208-201503
33176CBOLT(FOR TRANSMISSION OIL SEPARATOR)
main91551-80816i201208-201503
33240BPIN, STRAIGHT(FOR REVERSE SHIFT ARM BRACKET)
main90250-08054i201208-201503
33403KCOVER SUB-ASSY, SPEEDOMETER DRIVEN HOLE
main33403-35230i201208-201503
33403LRING, O
main96711-24030i201208-201805
33449BMAGNET, TRANSMISSION
main33449-20010i201208-201503
4301
4302
8401
90119W0029
9155180825

27 parts on this diagram · 1 diagram in section

CLUTCH HOUSING & TRANSMISSION CASE (MTM) — Toyota Parts Diagram with OEM Numbers & Prices | EPC Data