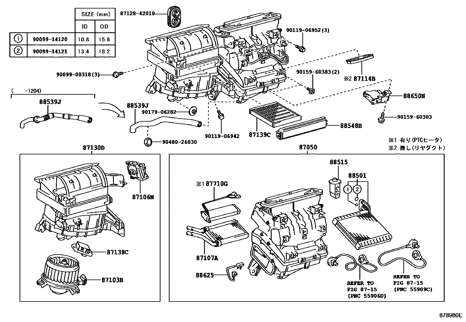
HEATING & AIR CONDITIONING - COOLER UNIT

87050RADIATOR ASSY, AIR CONDITIONER
87103BMOTOR SUB-ASSY, BLOWER W/FAN
87106NSERVO SUB-ASSY, DAMPER(FOR RECIRCULATION)
87107AUNIT SUB-ASSY, HEATER RADIATOR
87114BCOVER, HEATER
87130DBLOWER ASSY
87138CRESISTOR, BLOWER
87139CFILTER, CLEAN AIR
8715HEATING & AIR CONDITIONING - CONTROL & AIR DUCT
87710GQUICK HEATER ASSY
88501EVAPORATOR SUB-ASSY, COOLER, NO.1
88515VALVE, COOLER EXPANSION
88539JHOSE, DRAIN COOLER
88548BCASE, AIR FILTER
88625THERMISTOR, COOLER, NO.1
88650NAMPLIFIER ASSY, AIR CONDITIONER
8712842010GROMMET, HEATER
main87128-42010
9009900318
main90099-00318
9009914120
main90099-14120
9009914121
main90099-14121
9011906942
main90119-06942
9011906952
main90119-06952
9015960303
main90159-60303
9015960383
main90159-60383
9017906282
main90179-06282
9048026030
main90480-26030
26 parts on this diagram · 2 diagrams in section