E
EPC Data

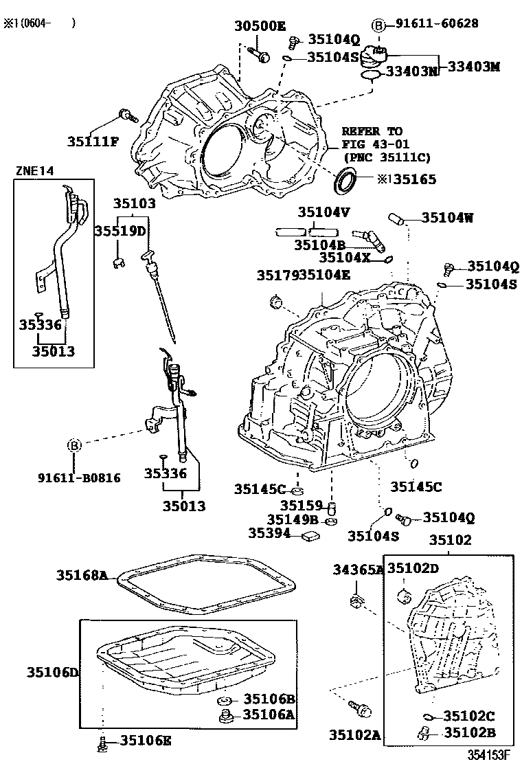
TRANSMISSION CASE & OIL PAN (ATM)

Parts diagram
30500EBOLT(FOR TRANSAXLE & ENGINE SETTING)
main90119-12168×2i200508-200903
main91619-61255×2i200301-200501
main91642-81055×2i200508-200903
33403MCOVER SUB-ASSY, SPEEDOMETER DRIVEN HOLE (ATM)
main33403-0D010i200801-200903
main33403-20230i200301-200508
33403NRING, O (FOR ATM SPEEDOMETER DRIVEN HOLE COVER)
main90301-T0044i200801-200903
main96711-24018i200301-200508
34365ARETAINER, OUTER RACE
main34365-52012i200301-200508
35013TUBE SUB-ASSY, TRANSMISSION OIL FILLER
main35013-20840i200301-200508
main35013-32210i200301-200508
35102COVER SUB-ASSY, TRANSAXLE REAR
main35102-52020i200508-200903
35102ABOLT (FOR TRANSAXLE REAR COVER SETTING)
main90105-08365×11i200301-200508
35102BPLUG(FOR TRANSAXLE REAR COVER)
main90341-08001×4i200301-200508
35102CRING, O(FOR TRANSAXLE REAR COVER PULG)
main90301-06196×4i200301-200508
35102DBEARING, NEEDLE ROLLER(FOR TRANSAXLE REAR COVER)
main90364-14007i200301-200508
35103GAGE SUB-ASSY, TRANSMISSION OIL LEVEL
main35103-32190i200301-200508
main35103-63020i200508-200903
35104BPLUG, BREATHER, NO.1 (ATM)
main90930-03166i200508-200903
35104ECASE SUB-ASSY, AUTOMATIC TRANSAXLE
main35104-20130i200301-200508
main35104-20131i200604-200903
35104QPLUG, NO.1 (FOR TRANSAXLE CASE)
main90341-08001×5i200508-200903
35104SRING, O (FOR TRANSAXLE CASE PLUG NO.1)
main90301-06196×5i200301-200508
35104VHOSE (FOR BREATHER PLUG)
main35121-32020i200301-200508
35104WPIN, STRAIGHT (FOR TRANSAXLE CASE)
main90250-10017×2i200301-200508
35104XRING, O (FOR BREATHER PLUG)
main90301-06005i200301-200508
35106APLUG SUB-ASSY, DRAIN (ATM)
main90341-18016i200301-200508
35106BGASKET, DRAIN PLUG (ATM)
main90430-18008i200301-200508
35106DPAN SUB-ASSY, AUTOMATIC TRANSAXLE OIL
main35106-52020i200301-200508
35106EBOLT (FOR TRANSAXLE OIL PAN)
main90119-06173×19i200301-200508
35111FBOLT (FOR TRANSAXLE HOUSING & TRANSAXLE CASE SETTING)
main90105-08071×14i200301-200508
35145CGASKET, TRANSAXLE CASE
main35145-21010×5i200301-200508
35149BGASKET, TRANSAXLE CASE 2ND BRAKE
main35149-21010i200508-200903
35159GASKET, BRAKE DRUM
main35159-21010i200301-200508
35165PLATE, TRANSMISSION CASE, NO.1
main35165-52030i200604-200903
35168AGASKET, AUTOMATIC TRANSAXLE OIL PAN
main35168-52020i200301-200508
35179GASKET, OVERDRIVE BRAKE
main35179-32010×2i200508-200903
35336RING, O (FOR TRANSMISSION OIL FILLER TUBE)
main90301-09173i200301-200508
35394MAGNET, OIL CLEANER (FOR TRANSMISSION)
main35394-30011×2i200301-200508
35519DLABEL, AUTOMATIC TRANSMISSION INFORMATION
main35519-20030i200301-200508
main35519-52010i200508-200903
4301FRONT AXLE HOUSING & DIFFERENTIAL
9161160628
91611B0816

35 parts on this diagram · 1 diagram in section

TRANSMISSION CASE & OIL PAN (ATM) — Toyota Parts Diagram with OEM Numbers & Prices | EPC Data