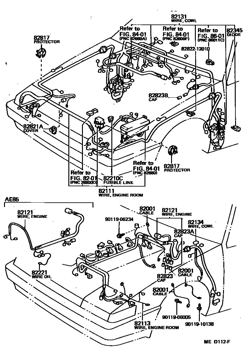
WIRING & CLAMP

82001CABLE, BOND, NO.1
MISSION-MEMBER,L=220
ENGINE-COWL
MISSION-MEMBER,L=260
ENGINE-COWL
CLACH-FLOOR
ENGINE-COWL
ENGINE-COWL
ENGINE-COWL
8201BATTERY & BATTERY CABLE
82111WIRE, ENGINE ROOM MAIN
82113WIRE, ENGINE ROOM, NO.3
82121WIRE, ENGINE
82131WIRE, COWL
W/*AS
W/*AS
W/*DS
W/*DS
W/*AS
W/*DS
82134WIRE, COWL, NO.4
82210CFUSIBLE LINK
82221WIRE, OIL PRESSURE SWITCH
82345DIODE
82817PROTECTOR, WIRING HARNESS, NO.1
82821ACOVER, CONNECTOR
82823CAP, TERMINAL, NO.1
2 POLE CONNECTOR
4 POLE CONNECTOR
82823ACAP, TERMINAL, NO.2
1 POLE CONNECTOR
82823BCAP, TERMINAL, NO.3
4-POLE CONNECTOR
8401SWITCH & RELAY & COMPUTER
8601RADIO RECEIVER & AMPLIFIER & CONDENSER
8282212010BRACKET,CONNECTOR BLOCK
main82822-12010
9011906005
main90119-06005
9011906234
main90119-06234
9011910138
main90119-10138
21 parts on this diagram · 5 diagrams in section