E
EPC Data

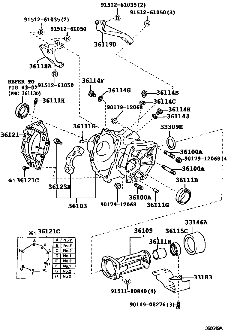
TRANSFER CASE & EXTENSION HOUSING

Parts diagram
33146ADEFLECTOR, TRANSFER EXTENSION HOUSING DUST
main33146-30010i200104-200105
main33146-30020i200105-200404
33183DAMPER, TRANSFER DYNAMIC
main33183-21020i200104
33309HWASHER, TRANSFER OUTPUT SHAFT
main36275-33010i200104-200404
main36275-33030i200104-200404
main36275-33050i200104-200404
main36275-33070i200104-200404
main36275-33090i200104-200404
main36275-33110i200104-200404
main36275-33130i200104-200404
main36275-33150i200104-200404
main36275-33170i200104-200404
main36275-33190i200104-200404
main36275-33210i200104-200404
main36275-33230i200104-200404
main36275-33250i200104-200404
main36275-33270i200104-200404
main36275-33290i200104-200404
main36275-33310i200104-200404
main36275-33330i200104-200404
main36275-33350i200104-200404
main36275-33370i200104-200404
main36275-33390i200104-200404
main36275-33410i200104-200404
main36275-33430i200104-200404
main36275-33450i200104-200404
36100ABOLT, STUD (FOR TRANSFER & TRANSAXLE SETTING)
main90116-12028i200104-200404
main90116-12034i200104-200404
main90116-12041×4i200104-200404
36103CASE SUB-ASSY, TRANSFER
main36103-21010i200104-200404
36109HOUSING SUB-ASSY, TRANSFER EXTENSION
main36109-33010i200104-200404
36111BSEAL, OIL (FOR TRANSFER CASE)
main90311-49001i200104-200404
36111GPIN, STRAIGHT (FOR TRANSFER CASE)
main90250-08030×2i200104-200404
main90250-10017×2i200104-200404
36111HPLUG, BREATHER (FOR TRANSFER CASE)
main90930-03133i200104-200404
36111NBUSH (FOR TRANSFER CASE)
main90999-73105i200104-200404
36114BPLUG, NO.1 (FOR TRANSFER CASE)
main90341-18045i200104-200404
36114CGASKET, NO.1 (FOR TRANSFER CASE)
main12157-10010i200104-200404
36114FPLUG (FOR TRANSFER DRAIN)
main90341-18057i200104-200404
36114GGASKET (FOR TRANSFER DRAIN PLUG)
main12157-10010i200104-200404
36114HPLUG, NO.2 (FOR TRANSFER CASE)
main90341-18006i200104-200404
36114JGASKET, NO.2 (FOR TRANSFER CASE)
main12157-10010i200104-200404
36115CSEAL, TYPE T OIL (FOR TRANSFER EXTENSION HOUSING)
main90311-38062i200104-200404
36118APLATE, TRANSFER STIFFENER, RH
main36118-12070i200104
36119DPLATE, TRANSFER STIFFENER, CENTER
main36119-12050i200104
36121COVER, TRANSFER CASE, NO.1
main36121-52010i200104-200404
36121CBOLT, WASHER BASED HEAD HEXAGON (FOR TRANSFER CASE COVER)
main90105-08351×2i200104-200404
main91511-60820×6i200104-200404
36123ABOLT, DIFFERENTIAL BEARING CAP
main41114-16010×2i200104-200404
4302FRONT DRIVE SHAFT
9011908276
9017912068
9151180840
9151261035
9151261050

28 parts on this diagram · 1 diagram in section

TRANSFER CASE & EXTENSION HOUSING — Toyota Parts Diagram with OEM Numbers & Prices | EPC Data