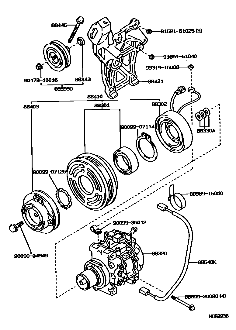
HEATING & AIR CONDITIONING - COMPRESSOR

88301ROTOR SUB-ASSY, MAGNET CLUTCH
88302STATOR SUB-ASSY, MAGNET CLUTCH
88330AWASHER (FOR MAGNET CLUTCH)
88431BRACKET, COMPRESSOR MOUNTING, NO.1
88443COLLAR, IDLE PULLEY
88446BOLT, IDLE PULLEY
88595DPULLEY ASSY, IDLE
88648KWIRE SUB-ASSY, SENSOR
8856916050CLAMP (FOR COOLER RELAY)
main88569-16050
8889920090COVER, EVAPORATOR
main88899-20090
9009904349
main90099-04349
9009907114
main90099-07114
9009907125
main90099-07125
9009935012
main90099-35012
9017910016
main90179-10016
9162161025
main91621-61025
9165161040
main91651-61040
9331915008
main93319-15008
21 parts on this diagram · 1 diagram in section