E
EPC Data

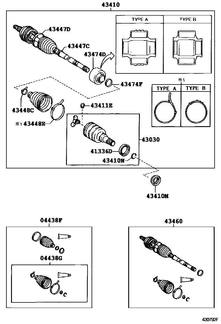
FRONT DRIVE SHAFT

Parts diagram
04438FBOOT KIT, FRONT DRIVE SHAFT, IN & OUTBOARD, RH
main04427-42080i200506-200706
main04427-52260i200506-200603
main04427-52580i200604-200706
main04438-12481i200105-200304
main04438-12501i200105-200112
main04438-12502i200304-200506
main04438-12610i200304-200506
main04438-63010i200304-200506
04438GBOOT KIT, FRONT DRIVE SHAFT INBOARD JOINT, RH
main04437-42060i200506-200706
main04437-52190i200504-200706
main04438-12470i200105-200304
main04438-12490i200105-200209
main04438-32240i200304-200503
main04438-42200i200503-200506
main04438-52030i200209-200304
main04438-52051i200105-200304
main04438-52230i200304-200706
41336DCOVER, FRONT DRIVE SHAFT DUST, RH
main41336-12010i200304
main41336-12060i200105-200304
43030JOINT ASSY, FRONT DRIVE INBOARD, RH
main43030-12070i200108-200304
main43030-32040i200105-200304
main43040-32040i200304-200706
main43403-10011i200304-200706
main43403-12040i200105-200304
43410SHAFT ASSY, FRONT DRIVE, RH
main43410-12490i200304-200706
main43410-12531i200108-200304
main43410-12660i200304-200706
main43410-12670i200105-200304
43410MOIL SEAL, FRONT DRIVE SHAFT, RH
main90311-34023i200304-200507
main90311-34031i200507-200706
main90311-35045i200304-200502
main90311-35055i200502-200706
main90316-28003i200108-200304
43410NRING, HOLE SNAP (FOR FRONT DRIVE SHAFT RH)
main90520-33008i200304
main90521-26004i200304
main90521-27005i200105-200304
43411ERING, SHAFT SNAP (FOR FRONT DRIVE INNER SHAFT INNER RH)
main90520-22001i200304-200706
main90520-22005i200105-200304
43447CCLAMP (FOR FRONT AXLE OUTBOARD JOINT BOOT RH)
main42345-12150i200105-200304
main42345-52110i200105-200304
43447DCLAMP, NO.2 (FOR FRONT AXLE OUTBOARD JOINT BOOT RH)
main42345-12140i200105-200304
main42345-52100i200105-200304
43448CCLAMP (FOR FRONT AXLE INBOARD JOINT BOOT RH)
main90949-01078i200105-200304
43448ECLAMP, NO.2 (FOR FRONT AXLE INBOARD JOINT BOOT RH)
main42345-12160i200304-200706
main90949-01146i200304-200706
43460SHAFT ASSY, FRONT DRIVE OUTBOARD JOINT, RH
main43460-19795i200304-200506
main43460-39126i200304-200506
main43460-80001i200105-200304
main43460-80004i200304-200506
main43460-80040i200506-200706
main43460-80043i200506-200706
main43460-80045i200506-200706
main43460-80046i200506-200706
43474DDAMPER, FRONT DRIVE SHAFT, RH
main43474-12120i200105-200304
main43474-52030i200105-200304
43474FCLAMP (FOR FRONT DRIVE SHAFT DAMPER RH)
main42345-14010i200105-200304

15 parts on this diagram · 6 diagrams in section

FRONT DRIVE SHAFT — Toyota Parts Diagram with OEM Numbers & Prices | EPC Data