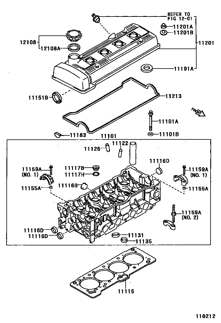
CYLINDER HEAD

11101HEAD SUB-ASSY, CYLINDER
11101BWASHER, PLATE(FOR CYLINDER HEAD SET)
11116BPLUG, TIGHT, NO.2
11116DPLUG, TIGHT, NO.4
11117BPLUG, W/HEAD TAPER SCREW, NO.2
11117HGASKET(FOR WATER HOLE)
11122BUSH, INTAKE VALVE GUIDE
11126BUSH, EXHAUST VALVE GUIDE
11135SEAT, EXHAUST VALVE
11155APIN, RING W/HEAD
11159ABOLT(FOR HEAD TO CAMSHAFT BEARING CAP)
11183PLUG, SEMICIRCULAR
11191AGASKET(FOR SPARK PLUG TUBE)
11201COVER SUB-ASSY, CYLINDER HEAD
11201ANUT, CAP(FOR CYLINDER HEAD COVER)
11201BWASHER, SEAL(FOR CYLINDER HEAD COVER)
1201
12108CAP SUB-ASSY, OIL FILLER
12108AGASKET(FOR OIL FILLER CAP)
24 parts on this diagram · 1 diagram in section