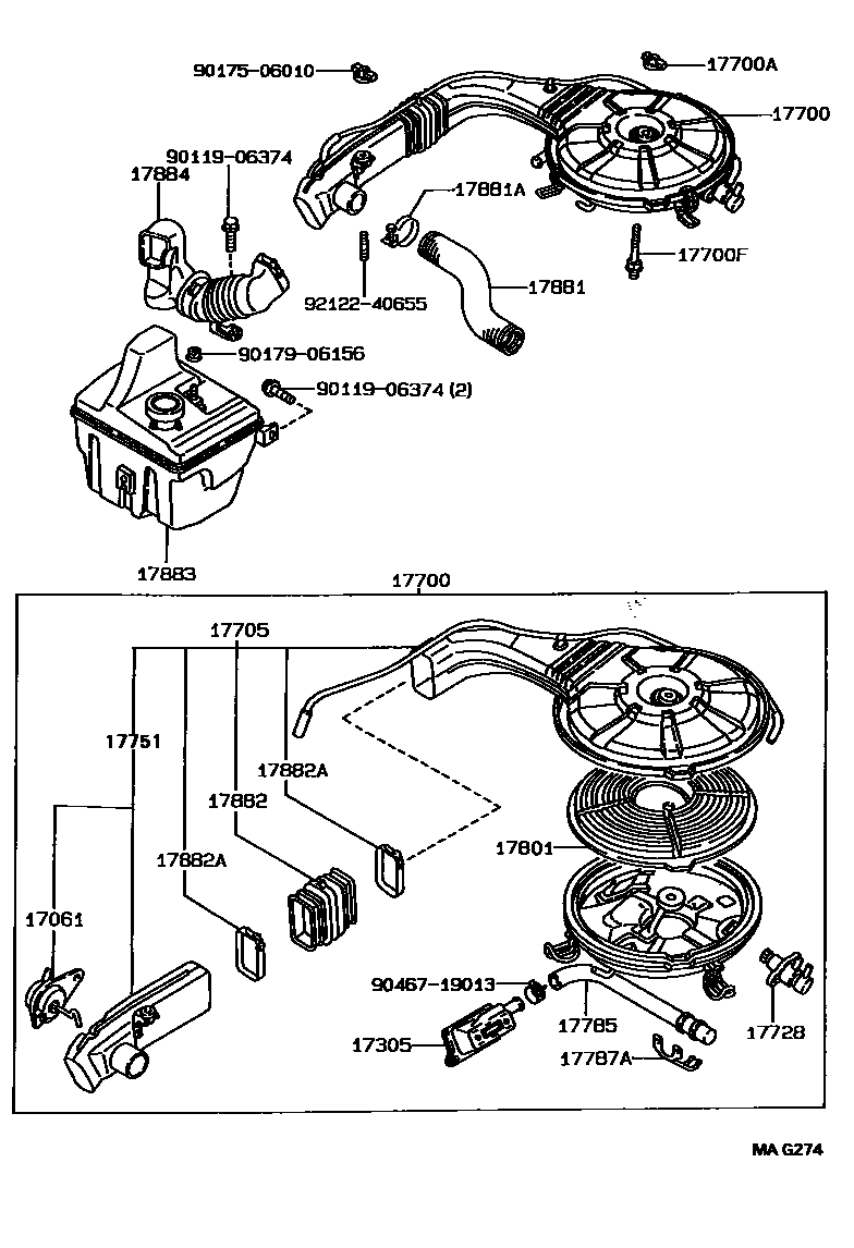
AIR CLEANER

17061DIAPHRAGM SUB-ASSY
17305VALVE SUB-ASSY, REED
17700CLEANER ASSY, AIR
17700ANUT, WING(FOR AIR CLEANER)
17700FBOLT, STUD(FOR AIR CLEANER SETTING)
17728VALVE, THERMOSTATIC
17751INLET, AIR CLEANER, NO.1
17785SILENCER, AIR CLEANER
17787ABRACKET, AIR CLEANER SILENCER
17801ELEMENT SUB-ASSY, AIR CLEANER FILTER
17882HOSE, AIR CLEANER, NO.2
17882ACLAMP(FOR AIR CLEANER HOSE, NO.2)
17883HOSE, AIR CLEANER, NO.3
17884HOSE, AIR CLEANER, NO.4
9011906374
main90119-06374
9017506010
main90175-06010
9017906156
main90179-06156
9046719013
main90467-19013
9212240655
main92122-40655
22 parts on this diagram · 7 diagrams in section