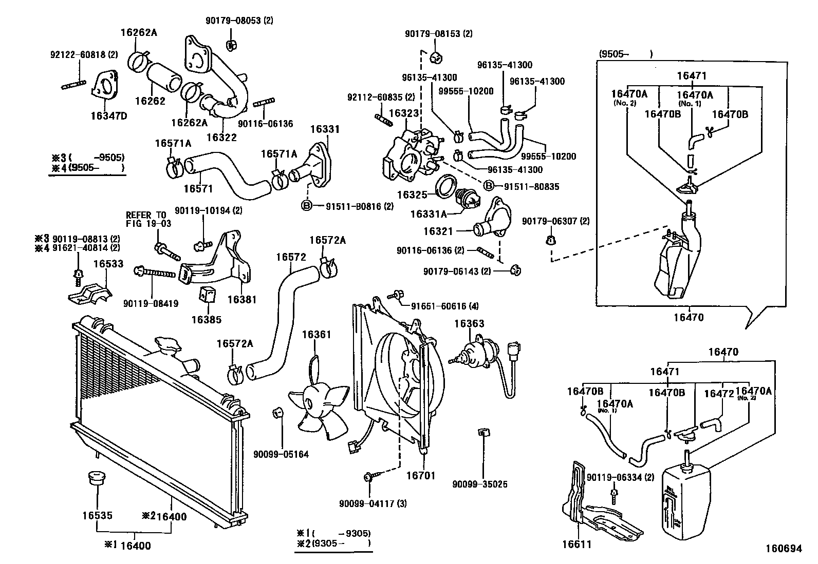
RADIATOR & WATER OUTLET

16321INLET, WATER
16322PIPE, WATER INLET
16323HOUSING, WATER INLET
16325GASKET, WATER INLET HOUSING, NO.1
CYLINDER HEAD SIDE
THERMOSTAT SIDE
THERMOSTAT SIDE
16331OUTLET, WATER
16347DGASKET, WATER BY-PASS
16361FAN
16363MOTOR, COOLING FAN
16385SLIDER, FAN BELT ADJUSTING
sub16385-15030
16400RADIATOR ASSY
sub16400-16680
sub16400-16690
sub16400-15511
sub16535-74010
sub16400-16710
sub16400-15531
sub16535-74010
sub16400-15690
sub16400-16640
sub16400-16660
sub16400-16670
sub16400-16680
sub16400-16680
sub16400-16710
16470AHOSE OR PIPE(FOR RADIATOR RESERVE TANK)
16470BCLAMP OR CLIP(FOR RADIATOR RESERVE TANK HOSE)
16472HOSE, BREATHER
16533SUPPORT, RADIATOR, UPPER
16571ACLAMP OR CLIP, HOSE(FOR RADIATOR INLET)
sub90467-34004
16572ACLAMP OR CLIP, HOSE(FOR RADIATOR OUTLET NO.1)
sub90467-34004
16611BRACKET, RADIATOR RESERVE TANK
1903
9009904117
main90099-04117
9009905164
main90099-05164
9009935025
main90099-35025
9011606136
main90116-06136
9011906334
main90119-06334
9011908419
main90119-08419
9011908813
main90119-08813
9011910194
main90119-10194
9017906143
main90179-06143
9017906307
main90179-06307
9017908053
main90179-08053
9017908153
main90179-08153
9151180835
main91511-80835
91511B0816
main91511-B0816
9162140814
main91621-40814
9165160616
main91651-60616
9211260835
main92112-60835
9212260818
main92122-60818
9613541300
main96135-41300
9955510200
main99555-10200
48 parts on this diagram · 4 diagrams in section