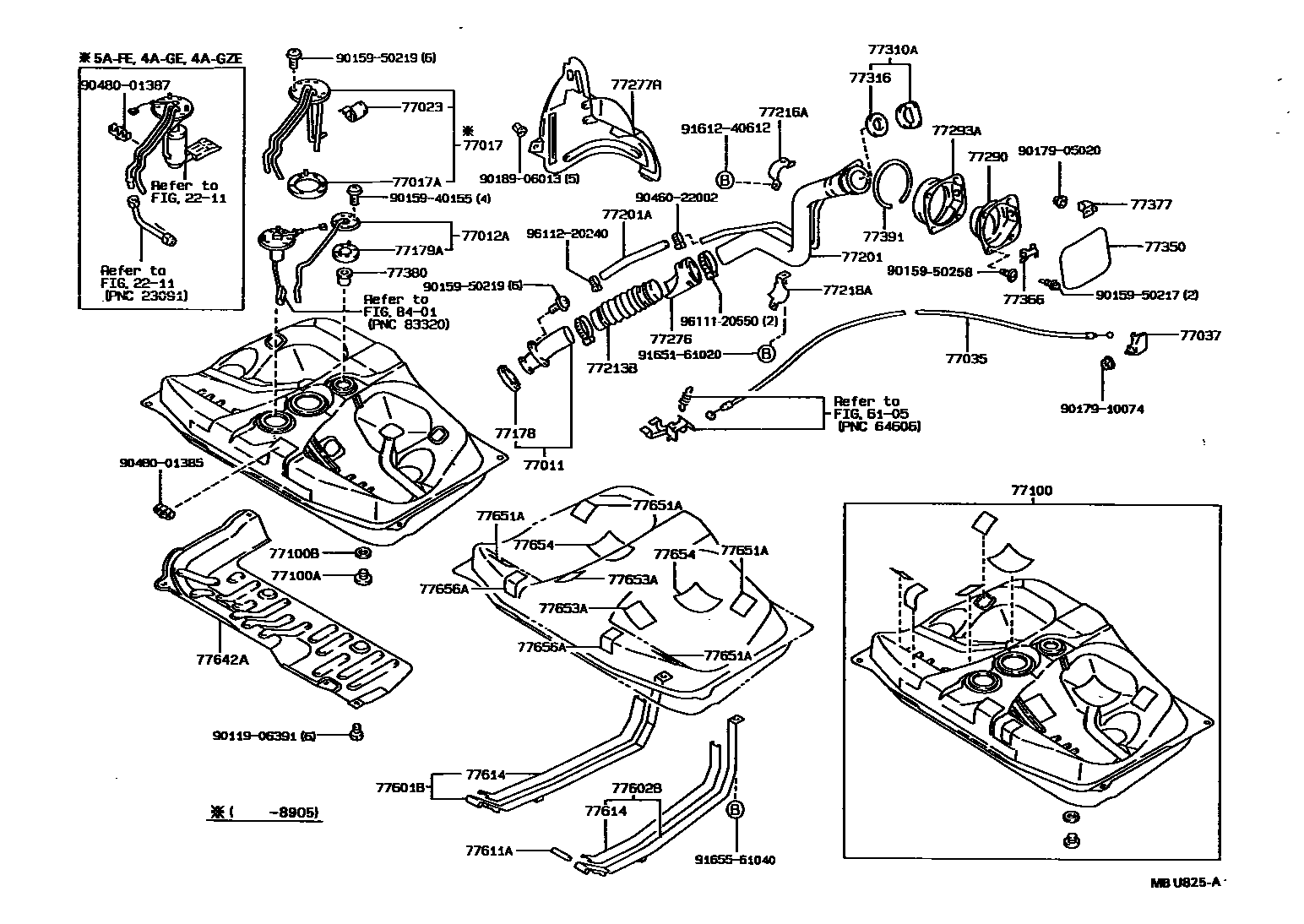
FUEL TANK & TUBE

2211
6105
77017AGASKET, FUEL TANK VENT
77023FILTER SUB-ASSY, FUEL SUCTION TUBE
77035CABLE SUB-ASSY, FUEL LID LOCK CONTROL
77037LOCK SUB-ASSY, FUEL FILLER OPENING LID
77100TANK ASSY, FUEL
77100APLUG(FOR FUEL TANK)
77100BGASKET(FOR FUEL TANK)
77178GASKET, FUEL TANK FILLER PIPE, LOWER
COLD SPEC OR W(DIGITAL SPEED METER)
77179AGASKET, FUEL TANK BREATHER TUBE
77201AHOSE, FUEL, NO.1(FOR FUEL TANK INLET PIPE)
sub90445-22024
77213BHOSE, FUEL TANK TO FILLER PIPE
77216ASUPPORT, FUEL TANK FILLER PIPE, NO.1
77218ASUPPORT, FUEL TANK FILLER PIPE, NO.3
77276PROTECTOR, FUEL HOSE
77277RPROTECTOR, FUEL TANK FILLER PIPE
77290SHIELD ASSY, FUEL TANK FILLER PIPE
77293ASHIELD, FUEL TANK FILLER PIPE, NO.3
77310ACAP ASSY, FUEL TANK
77316GASKET, FUEL TANK CAP
77350LID ASSY, FUEL FILLER OPENING
77366SPRING, FUEL FILLER OPENING LID HINGE
77377RETAINER, FUEL FILLER OPENING LID LOCK
77380VALVE ASSY, FUEL CUT OFF
77391RING, FUEL INLET BOX
77601BBAND SUB-ASSY, FUEL TANK, NO.1 RH
77602BBAND SUB-ASSY, FUEL TANK, NO.1 LH
77611APIN (FOR FUEL TANK BAND)
77614SEAT, FUEL TANK BAND
8401
9011906391
main90119-06391
9015940155
main90159-40155
9015950217
main90159-50217
9015950219
main90159-50219
9015950258
main90159-50258
9017905020
main90179-05020
9017910074
main90179-10074
9018906013
main90189-06013
9046022002
main90460-22002
9048001385
main90480-01385
9048001387
main90480-01387
9161240612
main91612-40612
9165161020
main91651-61020
9165561040
main91655-61040
9611120550
main96111-20550
9611220240
main96112-20240
56 parts on this diagram · 3 diagrams in section