E
EPC Data

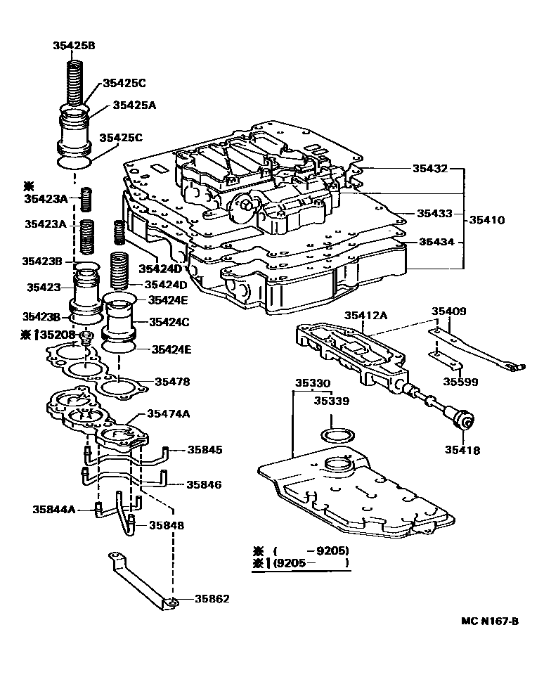
VALVE BODY & OIL STRAINER (ATM)

Parts diagram
35208SPRING SUB-ASSY, B-2 ACCUMULATOR
main35208-20040i199205-199505
main35209-20010i199704-200206
main35209-20020i199505-199704
35330STRAINER ASSY, VALVE BODY OIL
main35330-12020i199106-199305
main35330-12030i199305-199505
main35330-20012i199106
35339GASKET, OIL STRAINER
main35339-12010i199106-199305
main35339-12020i199305-199505
main35339-32010i199106
35409SPRING SUB-ASSY, MANUAL DETENT
main35409-12030i199305-199505
main35409-20010i199106-199305
main35409-32030i199106
35410BODY ASSY, TRANSMISSION VALVE
main35410-12281i199106-199704
main35410-12290i199106-199205
main35410-12300i199106-199205
main35410-12301i199205-199505
main35410-12321i199704-200206
main35410-12330i199106-199505
main35410-12340i199205-199305
main35410-12350i199205-199305
main35410-12360i199109-199505
main35410-12390i199106-199201
main35410-12391i199201-199505
main35410-12440i199203-199401
main35410-12460i199305-199505
main35410-12470i199305-199505
main35410-12520i199505-199510
main35410-12521i199510-199804
main35410-12580i199605-200206
main35410-12640i199804-200206
35412ABODY, MANUAL VALVE
main35412-12010i200002
main35412-32010i199106-200002
35418VALVE, MANUAL
main35418-12020i199305-199908
main35418-12030i199305-199505
main35418-32010i199106
35423PISTON, B-2 ACCUMULATOR
main35403-20010i199106
main35423-12010i199305-199505
main35423-20010i199205-199210
main35423-20030i199205-199210
main35423-32010i199106-199112
35423ASPRING, COMPRESSION (FOR B-2 ACCUMULATOR PISTON)
main90501-12135i199112-199505
main90501-14101i199109-199112
main90501-16111i199106-199112
main90501-20114i199109-199203
main90501-20135i199305-199505
main90501-21017i199203
main90501-23106i199401
main90501-23110i199305-199505
main90501-23113i199704-200206
main90501-23131i199305-199505
main90501-24016i199106-199505
main90501-24024i199505-199704
main90501-26014i199106-199112
main90501-26044i199106-199210
main90501-26048i199112-199205
main90501-27006i199203-199505
35423BRING, O (FOR B-2 ACCUMULATOR PISTON)
main90301-22185i199106-200206
main90301-29011i199710
main90301-29187i199106-199710
35424CPISTON, C-1 ACCUMULATOR
main35424-12030i199305-199505
main35424-12040i199205-199505
main35424-20010i199302-199305
main35424-20020i199106-199706
main35424-20021i199706
main35424-20030i199201-199302
main35424-32010i199106-199205
35424DSPRING, COMPRESSION (FOR C-1 ACCUMULATOR PISTON)
main90501-18084i199106-199706
main90501-19023i199201-199302
main90501-19024i199302-199505
main90501-20129i199205-199505
main90501-20136i199305-199505
main90501-20140i199706
main90501-20141i199706
main90501-21013i199112-199205
main90501-22005i199106-199112
main90501-23044i199106-199205
main90501-23058i199112-199210
main90501-23065i199106-199108
main90501-23115i199108-199305
main90501-24018i199109-199302
main90501-24027i199305-199505
main90501-25044i199302-200206
main90501-26053i199106-199108
main90501-26062i199210-199302
main90501-26079i199206-199505
main90501-27023i199205-199206
35424ERING, O (FOR C-1 ACCUMULATOR PISTON)
main90301-23194i199205-199210
main90301-24009i199706
main90301-29011i199706
main90301-29187i199205-199210
35425APISTON, C-2 ACCUMULATOR
main35405-12010i199106
main35425-12020i199106-199210
main35425-12030i199305-199505
main35425-12040i199305-199505
main35425-20030i199106-200206
main35425-32010i199106-199505
35425BSPRING, COMPRESSION (FOR C-2 ACCUMULATOR PISTON)
main90501-20130i199210-199305
main90501-23042i199106-199205
main90501-23057i199106-199210
main90501-23063i199109-199112
main90501-23120i199109
main90501-23124i199305-199505
main90501-24013i199205-199206
main90501-24016i199401
main90501-24023i199106-200206
main90501-24025i199206-199505
main90501-25012i199106-199112
main90501-25054i199804-200206
35425CRING, O (FOR C-2 ACCUMULATOR PISTON)
main90301-23194i199305-200206
main90301-26190i199106-199305
main90301-29011i199710
main90301-29187i199710-200206
35432PLATE, VALVE BODY, NO.1
main35432-12120i199109-200206
main35432-12150i199106-199205
main35432-12160i199205-199305
main35432-12170i199205-199505
main35432-12180i199505-200206
main35432-12190i199305-199505
main35432-12200i199305-199505
main35432-12250i199704-200206
main35432-17010i199106-199205
main35432-18010i199201-199505
main35432-20110i199106-199201
main35432-20190i199106-199208
main35432-20220i199106-199704
35433GASKET, VALVE BODY, NO.1
main35433-12020i199106-199305
main35433-12030i199106-199505
main35433-12040i199109-200206
main35433-12050i199305-199505
main35433-20020i199106
main35433-20030i199106-199908
35434GASKET, VALVE BODY, NO.2
main35434-12010i199106-199305
main35434-12020i199109-200206
main35434-12030i199305-199505
main35434-20010i199106-199908
main35434-32020i199106
35474ACOVER, ACCUMULATOR
main35474-12010i199305-200206
main35474-20010i199106
35478GASKET, ACCUMULATOR COVER
main35478-32010i199305-200206
35599COVER, MANUAL DETENT SPRING
main35599-12010i199106-199305
main35599-12020i199305-199505
main35599-32010i199106
35844ATUBE, ACCUMULATOR BACK PRESSURE, NO.1
main35844-12020i199106-199505
main35844-12030i199106-199305
main35844-32021i199106
35845TUBE, RR CLUTCH ACCUMULATOR
main35845-12020i199112-199505
main35845-12021i199106-199112
main35845-32012i199106
35846TUBE, BRAKE ACCUMULATOR
main35846-12030i199112-199505
main35846-12031i199106-199112
main35846-12040i199106-199305
main35846-20020i199106
35848TUBE, FORWARD CLUTCH ACCUMULATOR
main35848-12020i199106-199505
main35848-12030i199305-200206
main35848-32011i199106
35862BRACKET, ACCUMULATOR APPLY TUBE
main35862-12011i199106-199505
main35862-12020i199305-200206
main35862-32011i199106

27 parts on this diagram · 20 diagrams in section

VALVE BODY & OIL STRAINER (ATM) — Toyota Parts Diagram with OEM Numbers & Prices | EPC Data