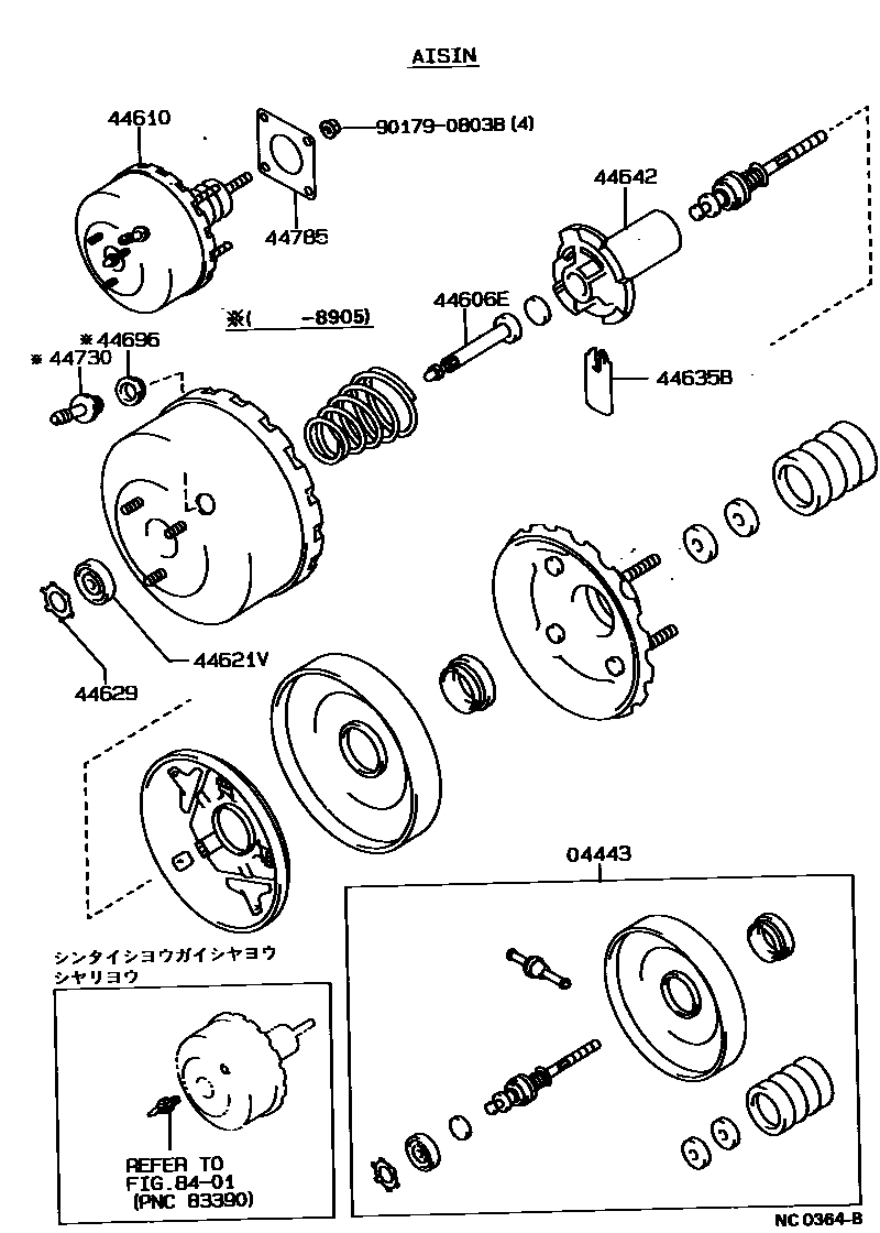
BRAKE BOOSTER & VACUUM TUBE

04443BOOSTER KIT, BRAKE
44606EROD SUB-ASSY, BRAKE BOOSTER PISTON
44621VSEAL, BOOSTER BODY
44629RING, CIRCULAR INTERNAL
44635BKEY, VALVE STOPPER
44642PISTON, BRAKE BOOSTER
44730VALVE ASSY, VACUUM CHECK(FOR BRAKE)
44785GASKET, BRAKE BOOSTER
8401
9017908038
main90179-08038
12 parts on this diagram · 5 diagrams in section