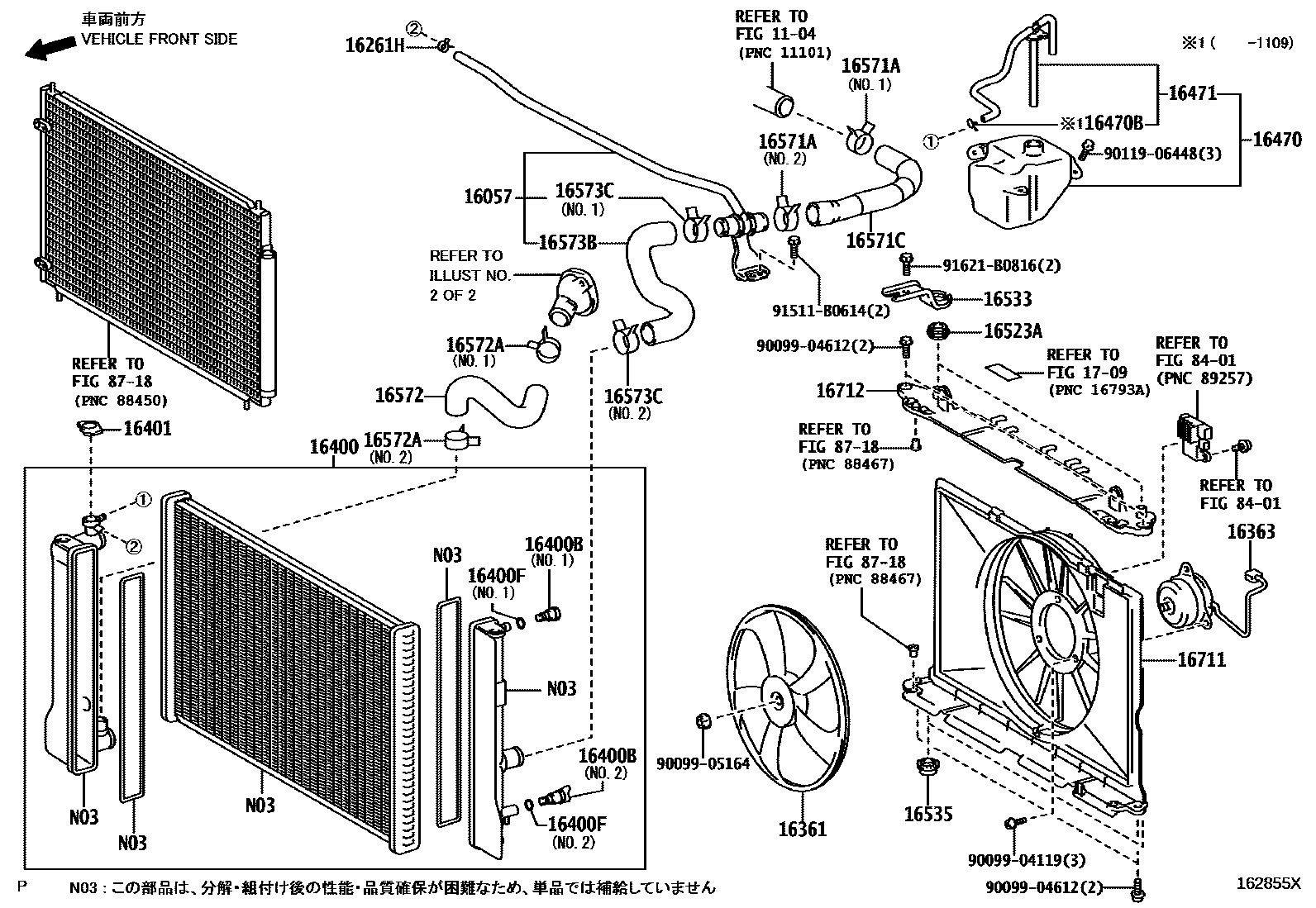
RADIATOR & WATER OUTLET

1104
16057HOSE SUB-ASSY, RADIATOR
16261HCLIP(FOR WATER BY-PASS HOSE NO.1)
16361FAN
16363MOTOR, COOLING FAN
16400RADIATOR ASSY
16400BPLUG, RADIATOR DRAIN COCK
16400FPACKING(FOR RADIATOR DRAIN COCK)
16470TANK ASSY, RADIATOR RESERVE
16470BCLAMP OR CLIP(FOR RADIATOR RESERVE TANK HOSE)
16471CAP SUB-ASSY, RESERVE TANK
16523ACUSHION, RADIATOR SUPPORT
16533SUPPORT, RADIATOR, UPPER
16571HOSE, RADIATOR, INLET
16571ACLAMP OR CLIP, HOSE(FOR RADIATOR INLET)
16571CHOSE, RADIATOR, NO.1
16572HOSE, RADIATOR, OUTLET
16572ACLAMP OR CLIP, HOSE(FOR RADIATOR OUTLET NO.1)
16573BHOSE, RADIATOR, NO.3
16573CCLAMP OR CLIP, RADIATOR HOSE, NO.3
16711SHROUD, FAN
16712SHROUD, FAN, NO.2
1709
8401
8718
9009904119
main90099-04119
9009904612
main90099-04612
9009905164
main90099-05164
9011906448
main90119-06448
91511B0614
main91511-B0614
91621B0816
main91621-B0816
34 parts on this diagram · 5 diagrams in section