E
EPC Data

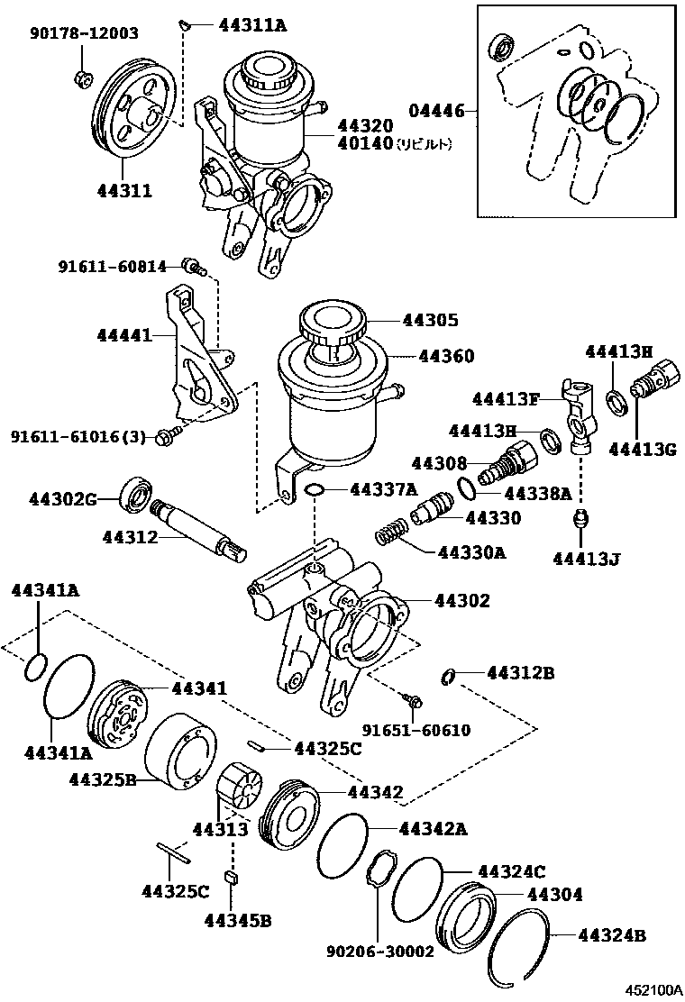
VANE PUMP & RESERVOIR (POWER STEERING)

Parts diagram
04446GASKET KIT, POWER STEERING PUMP
main04446-12051i199106-199205
main04446-12060i199106-199505
main04446-12070i199605-200008
main04446-20030i199106-199502
main04446-20120i199502
main04446-27011i199502
main04446-32011i199205
40140PUMP ASSY,VANE REBUILT
main40140-12212i200008
main40140-12241i199106-199708
main40140-12271i199705
main40140-12310i199106-199205
main40140-12312i199205-199505
main40140-12320i199109-199205
main40140-12331i199205-199505
44302HOUSING SUB-ASSY, VANE PUMP, FRONT
main44302-12041i199106
main44302-12100i199106-199205
main44302-12110i199106
main44302-12150i199106-199505
main44302-12151i199605-200008
main44302-12160i199205
44302GSEAL, OIL, NO.2(FOR VANE PUMP HOUSING)
main90311-15010i199106-200008
main90311-18007i199106-199205
main90311-18015i199205
44304HOUSING SUB-ASSY, VANE PUMP, REAR
main44304-12020i199106-199505
main44304-12021i199605-200008
main44324-12031i199106-199205
main44324-26031i199205
44305CAP SUB-ASSY, VANE PUMP OIL RESERVOIR
main44305-12030i199106
main44305-22040i199106
44308UNION SUB-ASSY, PRESSURE PORT
main44308-12022i199106-199509
main44308-12042i199509
main44308-12050i199106-199509
main44308-12080i199205-199305
main44308-12090i199106-199305
main44308-12100i199106-199205
main44308-12110i199205
main44308-12120i199205-199505
main44308-12130i199605-200008
main44338-12110i199106-199205
44311PULLEY, VANE PUMP
main44311-12030i199408
main44311-12040i199106-199205
main44311-12090i199205
main44311-12110i199106
main44311-12130i199208-199408
44311AKEY, VANE PUMP PULLEY
main90280-05008i199106-199205
44312SHAFT, VANE PUMP
main44303-12010i199106-200008
main44312-12030i199205
main44312-32020i199205
44312BRING, SNAP, NO.1(FOR VANE PUMP SHAFT)
main90520-10003i199106
main90520-10007i199106-200008
44313ROTOR, VANE PUMP
main44313-06010i199408-199410
main44313-06020i199408-199410
main44313-06030i199408-199410
main44313-06040i199408-199410
main44313-06050i199408-199410
main44313-22040i199205
main44313-22050i199205
main44313-22060i199205
main44313-22070i199205
main44313-22080i199106-199205
main44313-26060i199209
main44313-26070i199209
main44313-26080i199209
main44313-26090i199209
main44313-26100i199209
44320PUMP ASSY, VANE
main44046-12010i199205-199305
main44310-12310i199106-199305
main44310-12420i199605-200008
main44320-12212i199708
main44320-12241i199106-199708
main44320-12270i199106-199206
main44320-12271i199206
main44320-12310i199106-199205
main44320-12311i199205-199505
main44320-12320i199109-199205
main44320-12330i199106-199205
main44320-12331i199205-199505
main44320-12390i199505
44324BRING, HOLE SNAP(FOR PUMP HOUSING REAR)
main90521-62002i199106-199205
44324CRING, O(FOR PUMP HOUSING REAR)
main90301-52001i199106-199205
main90301-53006i199502
44325BRING, VANE PUMP CAM
main44325-12110i199106-199205
main44325-12120i199106-199205
main44325-12130i199106-199205
main44325-12140i199106-199205
main44325-12150i199205
main44325-12270i199205
main44325-12280i199205
main44325-12290i199205
main44325-12300i199205
main44325-12310i199205
44325CPIN, STRAIGHT(FOR VANE PUMP CAM RING)
main90250-04047i199205
main90250-04049i199205
main90250-04071×2i199205
44330VALVE ASSY, FLOW CONTROL
main44330-12071i199106-199205
main44330-12081i199106-199205
main44330-12091i199106-199205
main44330-12101i199106-199205
main44330-12111i199106-199205
main44330-12121i199106-199205
main44330-12131i199106-199505
main44330-12141i199106-199505
main44330-12151i199106-199505
main44330-12161i199106-199505
main44330-12171i199106-199505
main44330-12181i199106-199505
main44330-12311i199106
main44330-12321i199106
main44330-12331i199106
main44330-12341i199106
main44330-12351i199106
main44330-12361i199106
main44330-12490i199305-199705
KAYABA
main44330-12500i199106-199305
KAYABA
main44330-12510i199205-199505
main44330-12520i199205-199505
main44330-12530i199205-199505
main44330-12540i199205-199505
main44330-12550i199205-199505
main44330-12560i199205-199505
main44330-12570i199505
main44330-12580i199205-199505
main44330-12590i199205-199505
main44330-12600i199205-199505
main44330-12610i199505
main44330-12620i199505
main44330-20010i199106-199108
main44330-20020i199106-199108
main44330-20030i199106-199108
main44330-20040i199109-199205
main44330-20050i199205-199305
main44330-20060i199109-199205
main44330-20070i199505
main44330-20080i199505
main44330-20090i199505
main44330-20100i199505
main44330-20110i199505
main44330-20120i199505
main44330-32070i199106-199305
main44330-32080i199106-199305
main44330-32090i199108-199205
main44330-32100i199106-199305
main44330-32110i199106-199305
main44330-32120i199106-199305
44330ASPRING, COMPRESSION(FOR FLOW CONTROL VALVE)
main90501-12103i199106-199205
main90501-12141i199305-200008
main90501-13034i199205
44337UNION, POWER STEERING SUCTION PORT
main44337-12060i199106
main44337-12080i199106-200008
main44337-12090i199106-199206
main44337-12091i199206
44337ARING, O(FOR POWER STEERING SUCTION PORT)
main90301-11010i199205-199610
main90301-11016i199610
main90301-12003i199205-199610
main90301-17008i199106-200008
44338ARING, O(FOR PRESSURE PORT UNION)
main90301-13001i199106-200008
main90301-17008i199106-200008
main90301-19003i199106-199401
main90301-19013i199610
44341PLATE, VANE PUMP SIDE, FRONT
main44341-12040i199106-199505
main44341-12041i199605-200008
main44341-32010i199106-199205
44341ARING, O(FOR VANE PUMP FRONT SIDE PLATE)
main90301-16004i199106-199505
main90301-16009i199605-200008
main90301-25001i199106-199205
main90301-47004i199106-200008
main90301-52001i199205
44342PLATE, VANE PUMP SIDE, REAR
main44342-26020i199205
main44342-32010i199106-199205
44342ARING, O(FOR VANE PUMP SIDE PLATE REAR)
main90301-18007i199205
main90301-47001i199205
main90301-52001i199106-199205
44345BPLATE, VANE PUMP
main44345-12010×10i199205
main44345-12020×10i199106-199205
main44345-12030×10i199205
main44345-12040×10i199106-199205
main44345-12050×10i199205
main44345-26010×10i199205
main44345-26020×10i199205
main44345-26030×10i199205
main44345-26040×10i199205
main44345-26050×10i199205
44360RESERVOIR ASSY, VANE PUMP OIL
main44306-12120i199106-199205
main44306-12160i199205
main44360-12050i199106
44413FTUBE, PRESSURE FEED, NO.2
main44413-12160i199106
44413GBOLT, UNION(FOR PRESSURE FEED TUBE NO.2)
main90401-16005i199106-199205
main90401-16008i199205-199408
main96341-41603i199408
44413HGASKET(FOR PRESSURE FEED TUBE NO.2)
main90430-16242×2i199106
44413JSEAT, UNION(FOR PRESSURE FEED TUBE NO.2)
main90410-05035i199106
44441BRACKET, PUMP, FRONT
main44441-12040i199106-199205
main44441-12070i199205
9017812003
9020630002
9161160814
9161161016
9165160610

38 parts on this diagram · 5 diagrams in section

VANE PUMP & RESERVOIR (POWER STEERING) — Toyota Parts Diagram with OEM Numbers & Prices | EPC Data