DECK BOARD & DECK TRIM COVER

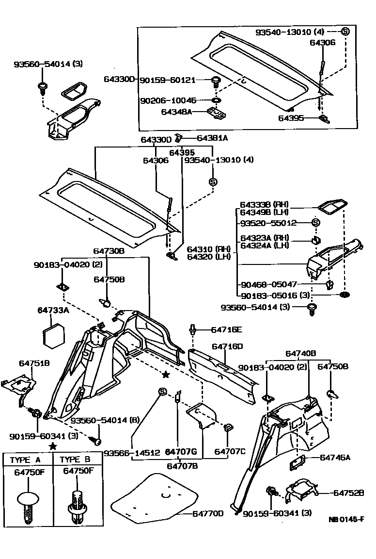
64310BRACKET, PACKAGE TRAY TRIM, RH
64320BRACKET, PACKAGE TRAY TRIM, LH
64323ACLAMP, PACKAGE TRAY TRIM, RH
64324ACLAMP, PACKAGE TRAY TRIM, LH
64330DPANEL ASSY, PACKAGE TRAY TRIM
64333BCOVER, PACKAGE TRAY TRIM SIDE, RH
64348AKNOB, PACKAGE TRAY TRIM
64349BCOVER, PACKAGE TRAY TRIM SIDE, LH
64381AHANGER, PACKAGE TRAY TRIM
64395PIN, PACKAGE TRAY TRIM HINGE
64707BCOVER SUB-ASSY, QUARTER TRIM JACK
64707CKNOB, JACK COVER
DARK BLUE,TRIM8#
sub64982-16020
64707GSTOPPER, JACK COVER
64716DCOVER, DECK TRIM, REAR
64716ECLIP(FOR DECK TRIM REAR COVER)
64730BPANEL ASSY, DECK TRIM SIDE, RH
SHADOW GRAY,TRIM1#
sub64730-12240
SHADOW GRAY,TRIM1#
DARK BLUE,TRIM8#
DARK BEIGE,TRIM4#
SHADOW GRAY,TRIM1#
DARK BLUE,TRIM8#
SHADOW GRAY,TRIM1#
DARK BLUE,TRIM8#
64733APAD, DECK TRIM SIDE, NO.1
64740BBOARD, DECK TRIM SIDE, LH
SHADOW GRAY,TRIM1#
sub64740-12240
SHADOW GRAY,TRIM1#
DARK BLUE,TRIM8#
DARK BEIGE,TRIM4#
SHADOW GRAY,TRIM1#
DARK BLUE,TRIM8#
SHADOW GRAY,TRIM1#
DARK BLUE,TRIM8#
64746ACOVER, DECK TRIM SIDE LAMP HOLE
64750BRETAINER(FOR DECK SIDE TRIM PANEL)
sub67771-14040
64750FCLIP(FOR DECK SIDE TRIM PANEL)
sub90467-06049
sub90467-06049
sub90467-06049
sub90467-06049
sub90467-06049
sub90467-06049
sub90467-06049
sub90467-06049
sub90467-07071
sub90467-07071
sub90467-07071
sub90467-07071
64751BBRACKET, SPEAKER SET, NO.1 RH
64752BBRACKET, SPEAKER SET, NO.1 LH
64770DCOVER ASSY, SPARE WHEEL
9015960121
main90159-60121
9015960341
main90159-60341
9018304020
main90183-04020
9018305016
main90183-05016
9020610046
main90206-10046
9046805047
main90468-05047
9352055012
main93520-55012
9354013010
main93540-13010
9356054014
main93560-54014
9356614512
main93566-14512
35 parts on this diagram · 2 diagrams in section