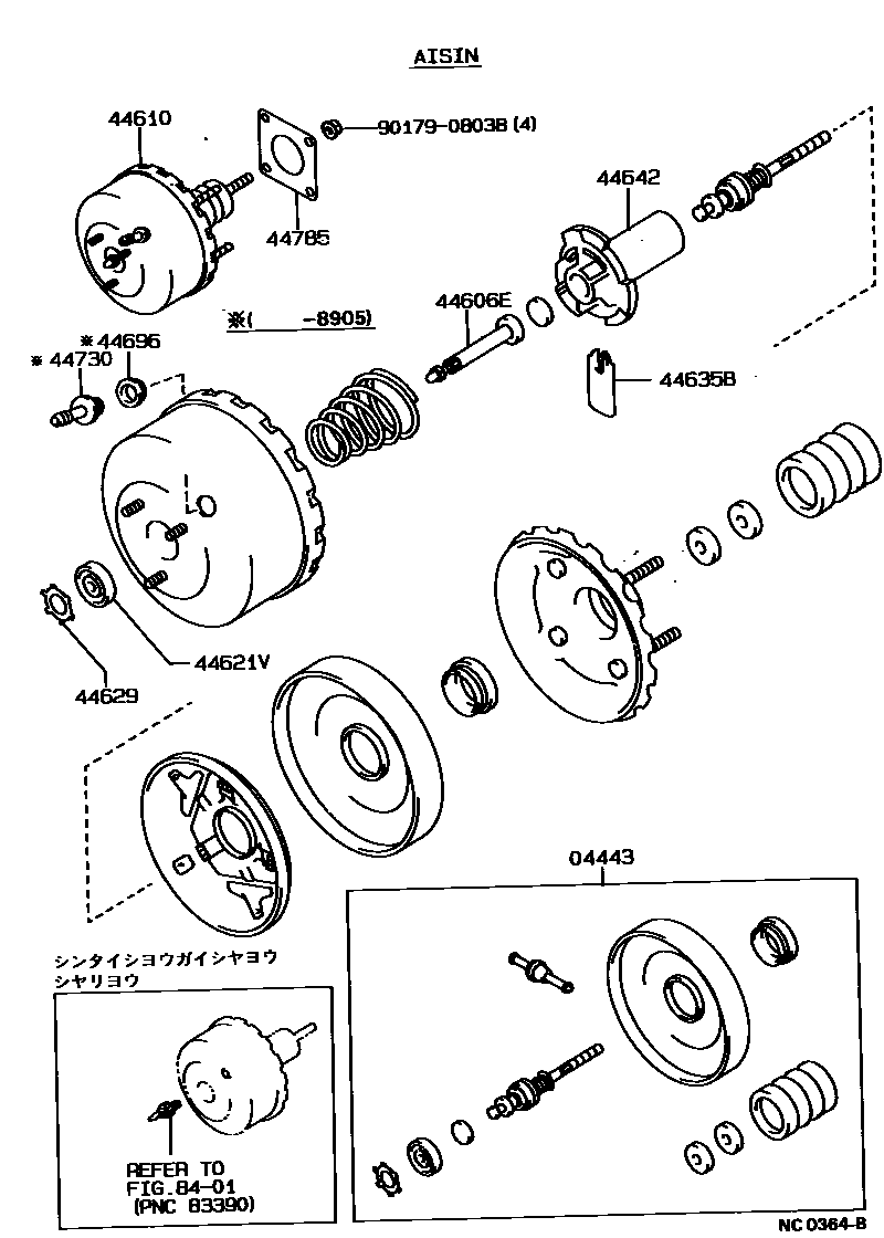
BRAKE BOOSTER & VACUUM TUBE

04443BOOSTER KIT, BRAKE
44606EROD SUB-ASSY, BRAKE BOOSTER PISTON
44621VSEAL, BOOSTER BODY
44629RING, CIRCULAR INTERNAL
44635BKEY, VALVE STOPPER
44642PISTON, BRAKE BOOSTER
44730VALVE ASSY, VACUUM CHECK(FOR BRAKE)
main44730-10010iAE92,95;AE91..FXV,FXVS,FXZI,FXZS,G,LT;AE91..(DX,FXG,FXL,SE,TX,XE)..(EFI,EFIS)198705-199205
44785GASKET, BRAKE BOOSTER
8401
9017908038
main90179-08038
12 parts on this diagram · 4 diagrams in section