E
EPC Data

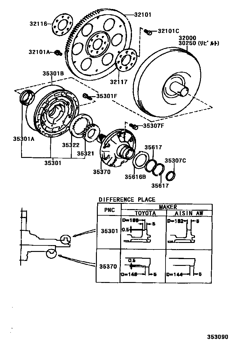
TORQUE CONVERTER, FRONT OIL PUMP & CHAIN (ATM)

Parts diagram
30250CONVERTER ASSY, TORQUE, REBUILT
main30250-12080i198905-199109
main30250-12160i198710-198905
main30250-12190i198905-199205
main30250-12230i198802-198905
main30250-16060i198905-199106
main30250-20151i198802-198908
32000CONVERTER ASSY, TORQUE
main32000-12080i198905-199109
main32000-12101i198705-198802
main32000-12140i198705-198802
main32000-12141i198802-198905
main32000-12160i198710-198905
main32000-12190i198905-199205
main32000-12230i198802-198908
main32000-16060i198905-199106
main32000-16070i198905-199109
main32000-17011i198708-198802
main32000-17012i198802-198908
main32000-20120i198705-198708
main32000-20150i198708-198802
main32000-20151i198802-198908
32101GEAR SUB-ASSY, DRIVE PLATE & RING
main32101-10021i198705-199109
main32101-12060i198705-199106
main32101-12070i198705-199109
main32101-12080i198710-199205
main32101-16020i198708-199109
main32101-17010i198705-199205
32101ABOLT(FOR DRIVE PLATE & TORQUE CONVERTER SETTING)
main90109-08113i198705-199205
main90119-08498i198705-199205
32101CBOLT, HEXAGON(FOR DRIVE PLATE SETTING)
main90105-10048i198705-199205
main90109-10037i198705-199109
32116SPACER, DRIVE PLATE, FRONT
main32116-10020i198705-199109
main32116-12010i198705-199205
main32116-16010i198708-199109
main32116-17010i198705-199205
main32116-20030i198705-199109
32117SPACER, DRIVE PLATE, REAR
main32117-10010i198705-199109
main32117-12010i198705-199205
main32117-16010i198708-199109
main32117-17010i198705-199205
main32117-20040i198705-199109
35301BODY SUB-ASSY, FRONT OIL PUMP
main35035-12010i198710-199106
main35035-20010i198705-199205
main35035-32010i198705-199106
main35035-32010i199106-199205
main35035-32020i199106-199205
35301ASEAL, OIL (FOR FRONT OIL PUMP)
main90311-38020i198705-199205
35301BRING, O (FOR FRONT OIL PUMP BODY)
main90301-99024i198705-199205
35301FBOLT (FOR FRONT OIL PUMP SETTING)
main90105-08050i198705-199205
35307CRACE, THRUST BEARING (FOR STATOR SHAFT)
main35789-32020i198705-199205
main35789-32030i198705-199205
35307FBOLT (FOR STATOR SHAFT)
main90119-06180i198705-199205
35321GEAR, FRONT OIL PUMP DRIVE
main35321-12020i198802-199106
main35321-12030i198802-198905
main35321-12040i198802-198905
main35321-12050i198802-198905
main35321-12060i198802-198905
main35321-12070i199108-199205
main35321-12080i199108-199205
main35321-12090i199108-199205
main35321-12100i199108-199205
main35321-12110i199108-199205
main35321-32040i198705-199205
main35321-32050i198705-199205
main35321-32060i198705-199205
main35321-35010i198710-198712
35322GEAR, FRONT OIL PUMP DRIVEN
main35322-12010i198802-198905
main35322-12020i198802-198905
main35322-12030i198802-198905
main35322-12040i198802-198905
main35322-12050i198802-198905
main35322-12060i199108-199205
main35322-12070i199108-199205
main35322-12080i199108-199205
main35322-12090i199108-199205
main35322-12100i199108-199205
main35322-32040i198705-199205
main35322-32050i198705-199205
main35322-32060i198705-199205
main35322-35010i198710-199106
35370SHAFT ASSY, STATOR
main35370-12040i199106-199205
main35370-12040i199001-199106
main35370-32022i198705-199205
main35370-32050i199106-199205
35616BWASHER, CLUTCH DRUM THRUST (FOR STATOR SHAFT)
main35616-32010i198705-199205
35617RING, CLUTCH DRUM OIL SEAL
main35617-12020i198708-198907
main35617-32010i198705-198708
main35617-32011i198708-199205

18 parts on this diagram · 1 diagram in section

TORQUE CONVERTER, FRONT OIL PUMP & CHAIN (ATM) — Toyota Parts Diagram with OEM Numbers & Prices | EPC Data