E
EPC Data

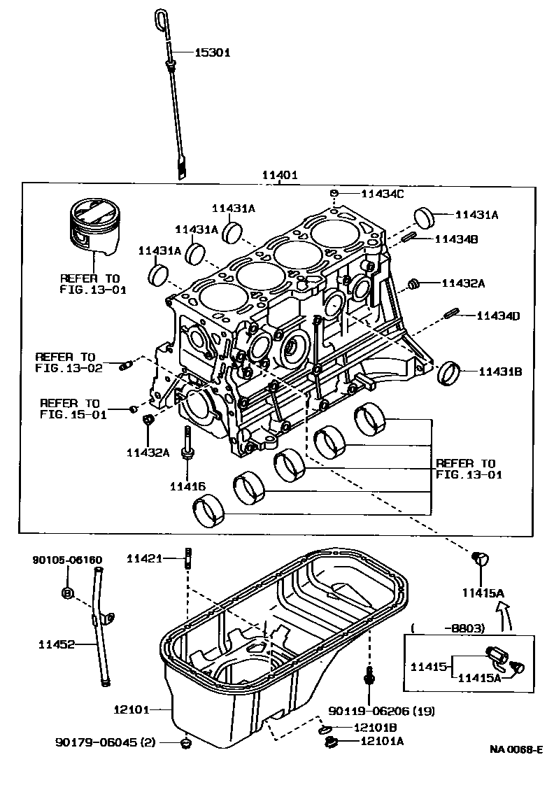
CYLINDER BLOCK

Parts diagram
11401BLOCK SUB-ASSY, CYLINDER
main11401-19298i198705-198911
main11401-19299i198911-198912
main11401-19375i198708-198911
main11401-19376i198911-198912
main11401-19377i198912-199109
main11401-19405i198705-199107
main11401-19425i198705-198905
main11401-19445i198710-198911
main11401-19446i198911-199004
main11401-19447i199004-199104
main11401-19448i199104-199106
main11401-19475i198905-199101
main11401-19476i199101-199205
main11401-19495i198905-199205
main11401-19535i198912-199109
main11401-69216i198705-198808
main11401-69375i198905-199008
main11401-69395i198910-199008
main11401-69415i198808-198908
main11401-69435i199008-199109
main11401-69445i199008-199106
11415COCK SUB-ASSY, WATER DRAIN(FOR CYLINDER BLOCK)
main90910-09088i198705-199109
11415APLUG, WATER DRAIN COCK(FOR CYLINDER BLOCK)
main90341-12012i198705-199102
main90341-12026i199102-199109
main90345-52003i199002-199205
main90345-52013i198803-199005
main90910-09087i198705-199109
11416BOLT(FOR CRANKSHAFT BEARING CAP SET)
main90105-10007i198705-199205
main90910-02019i198705-199109
main90910-02061i198705-199109
11421BOLT, STUD(FOR OIL PAN)
main90116-06014i198705-198907
main90116-06022i198705-199205
11431APLUG, TIGHT, NO.1(FOR CYLINDER BLOCK)
main96411-42500i198705-199109
main96411-43500i198705-199205
11431BPLUG, TIGHT, NO.2(FOR CYLINDER BLOCK)
main96411-43000i198705-199109
main96411-44000i198705-199205
11432APLUG, W/HEAD TAPER SCREW, NO.1
main90344-53008i198705-199205
11434BPIN, STRAIGHT(FOR CLUTCH HOUSING SET)
main90250-10017i198705-199109
main90250-10113i198705-199205
main90253-15001i198705-198712
main90253-15003i198712-199109
11434CPIN, STRAIGHT (FOR CYLINDER HEAD SET)
main90253-13017i198705-199205
main90253-14001i198705-199109
11434DPIN, STRAIGHT(FOR ENGINE REAR OIL SEAL)
main90250-06003i198705-199205
main90250-06068i198705-199109
11452GUIDE, OIL LEVEL GAGE
main11452-10010i198705-199109
main11452-11050i198912-199203
main11452-15020i198705-199205
main11452-16010i198705-198906
main11452-16030i198906-199205
main11452-64030i198705-199109
12101PAN SUB-ASSY, OIL
main12101-11010i198705-199109
main12101-15070i198705-199205
main12101-15100i198710-199106
main12101-16080i198905-198911
main12101-64020i198705-198808
main12101-64040i198801-199007
main12101-64100i198910-199106
main12101-64110i199007-199109
12101APLUG(FOR OIL PAN DRAIN)
main90341-12012i198705-199109
main90341-12026i198812-199205
main90341-18089i198705-198808
12101BGASKET(FOR OIL PAN DRAIN PLUG)
main90430-12011i198801-198803
main90430-12019i198705-199008
main90430-12027i199004-199205
main90430-12028i199008-199108
main90430-18013i198705-198808
1301
1302
1501
15301GAGE SUB-ASSY, OIL LEVEL
main15301-11020i198705-198908
main15301-11021i198908-199109
main15301-11040i198912-199109
main15301-15040i198705-198810
main15301-15041i198810-199205
main15301-16040i198705-198711
main15301-16041i198711-198905
main15301-16060i198905-199205
main15301-64010i198705-198901
main15301-64040i198901-198911
main15301-64041i198911-199109
9010506160
9011906206
9017906045

22 parts on this diagram · 5 diagrams in section

CYLINDER BLOCK — Toyota Parts Diagram with OEM Numbers & Prices | EPC Data