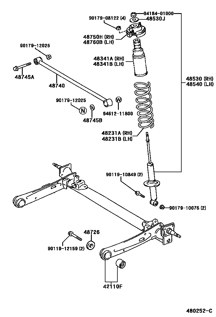
REAR SPRING & SHOCK ABSORBER

42110FBEAM ASSY, REAR AXLE
48341BUMPER, REAR SPRING
48341ABUMPER, REAR SPRING, NO.1 RH
48341BBUMPER, REAR SPRING, NO.1 LH
48530JRETAINER, CUSHION, NO.1(FOR REAR SHOCK ABSORBER)
48726SEAT, REAR SUSPENSION ARM
48745ABOLT, HEXAGON(FOR LATERAL CONTROL ROD)
48745BWASHER, LATERAL CONTROL ROD CUSHION
48750SUPPORT ASSY, REAR SUSPENSION
48750HSUPPORT ASSY, REAR SUSPENSION, RH
9011910849
main90119-10849
9011912159
main90119-12159
9017908122
main90179-08122
9017910076
main90179-10076
9017912025
main90179-12025
9418401000
main94184-01000
9461211800
main94612-11800
23 parts on this diagram · 2 diagrams in section