E
EPC Data

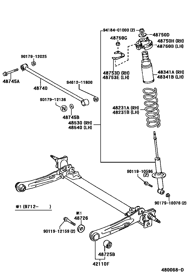
REAR SPRING & SHOCK ABSORBER

Parts diagram
42110FBEAM ASSY, REAR AXLE
main42110-16170i199508-199608
main42110-16191i199508-199907
48231ASPRING, COIL, REAR RH
main48231-10240i199608
main48231-16470i199610-199802
main48231-16500i199508-199608
main48231-16710i199802
48231BSPRING, COIL, REAR LH
main48231-10240i199508-199608
main48231-16470i199610-199802
main48231-16500i199508-199608
main48231-16710i199802
48341ABUMPER, REAR SPRING, NO.1 RH
main48341-10140i199508
main48341-16100i199610
48341BBUMPER, REAR SPRING, NO.1 LH
main48341-10140i199508
main48341-16100i199610
48530ABSORBER ASSY, SHOCK, REAR RH
main48530-19725i199508-199708
main48530-19726i199708-199712
main48530-19745i199508-199708
main48530-19746i199708-199802
main48530-80014i199712-199802
48540ABSORBER ASSY, SHOCK, REAR LH
main48530-19725i199508-199708
main48530-19726i199708-199712
main48530-19745i199508-199708
main48530-19746i199708-199802
main48530-80014i199712-199802
48725BBUSH, REAR SUSPENSION ARM, NO.1
main48725-10040i199712-199802
main48725-16150×2i199508-199601
48726SEAT, REAR SUSPENSION ARM
main48726-16010×2i199712-199802
48740ROD ASSY, REAR LATERAL CONTROL
main48740-16080i199508
48745ABOLT, HEXAGON(FOR LATERAL CONTROL ROD)
main90105-12070i199508
48745BWASHER, LATERAL CONTROL ROD CUSHION
main90201-12037i199508
48750DRETAINER(FOR REAR SUPPORT TO REAR SHOCK ABSORBER)
main48597-10010×2i199608
main90948-02082×2i199508-199608
48750GNUT(FOR REAR SUSPENSION SUPPORT)
main90179-08090×4i199704
main90179-08206×4i199508-199704
48750HSUPPORT ASSY, REAR SUSPENSION, RH
main48750-16100i199508
main48750-16110i199508
48753DCOVER, REAR SUSPENSION SUPOPORT, NO.2 RH
main48753-16020i199508
48753ECOVER, REAR SUSPENSION SUPOPORT, NO.2 LH
main48753-16020i199508
48760BSUPPORT ASSY REAR SUSPENSION, LH
main48750-16100i199508
main48750-16110i199508
9011910596
9011912159
9017910076
9017912025
9017912136
9418401000
9461211800

25 parts on this diagram · 1 diagram in section

REAR SPRING & SHOCK ABSORBER — Toyota Parts Diagram with OEM Numbers & Prices | EPC Data