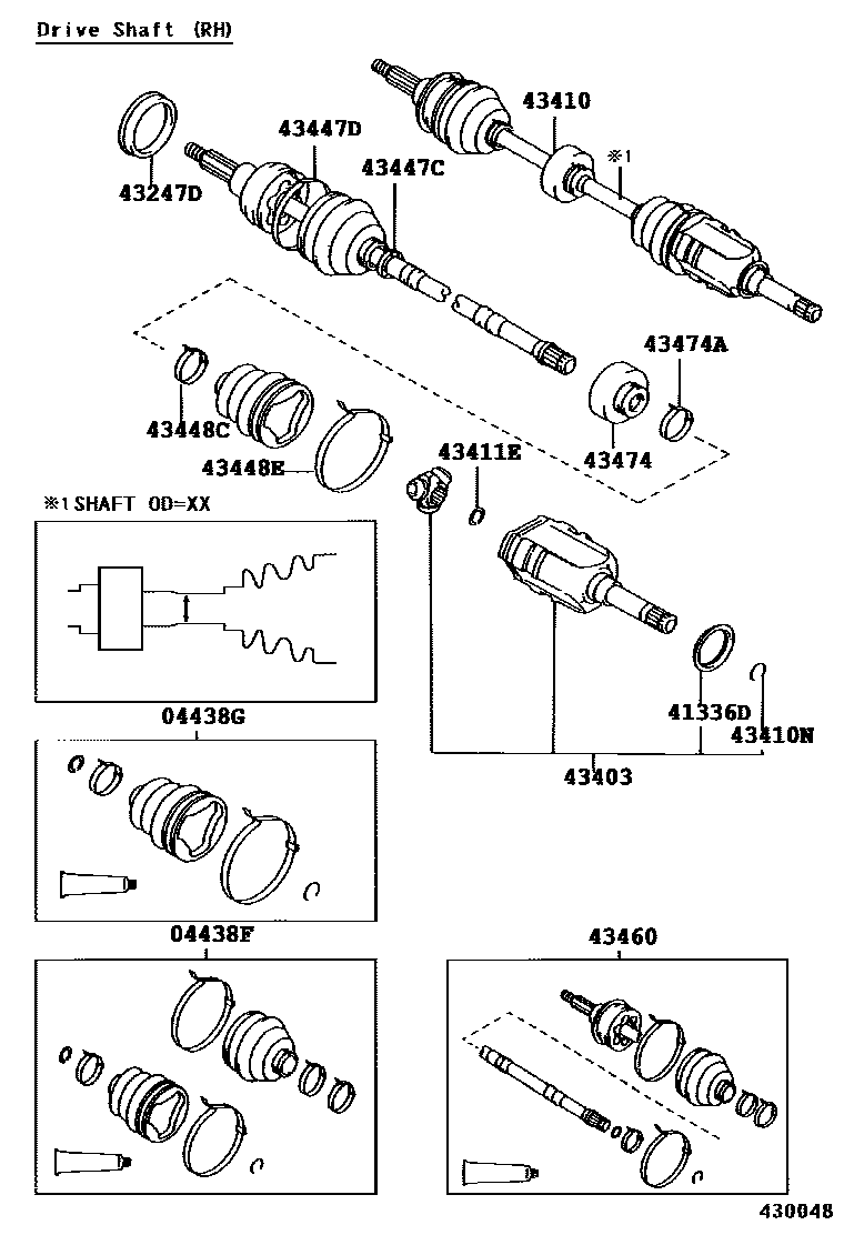
FRONT DRIVE SHAFT

04438FBOOT KIT, FRONT DRIVE SHAFT, IN & OUTBOARD, RH
04438GBOOT KIT, FRONT DRIVE SHAFT INBOARD JOINT, RH
41336DCOVER, FRONT DRIVE SHAFT DUST, RH
43247DDEFLECTOR, FRONT WHEEL BEARING DUST, NO.2 RH
43403JOINT SET, FRONT AXLE INBOARD, RH
43410SHAFT ASSY, FRONT DRIVE, RH
43410NRING, HOLE SNAP (FOR FRONT DRIVE SHAFT RH)
43411ERING, SHAFT SNAP (FOR FRONT DRIVE INNER SHAFT INNER RH)
43447CCLAMP (FOR FRONT AXLE OUTBOARD JOINT BOOT RH)
43447DCLAMP, NO.2 (FOR FRONT AXLE OUTBOARD JOINT BOOT RH)
ID=88.0
ID=82.9
43448CCLAMP (FOR FRONT AXLE INBOARD JOINT BOOT RH)
ID=32.5
ID=31.3
43448ECLAMP, NO.2 (FOR FRONT AXLE INBOARD JOINT BOOT RH)
ID=85.5
ID=82.9
43460SHAFT ASSY, FRONT DRIVE OUTBOARD JOINT, RH
43474DAMPER, DRIVE SHAFT
OD=66
OD=66
OD=69
43474ACLAMP (FOR DRIVE SHAFT DAMPER SETTING)
ID=32.5
ID=31.3
15 parts on this diagram · 6 diagrams in section