E
EPC Data

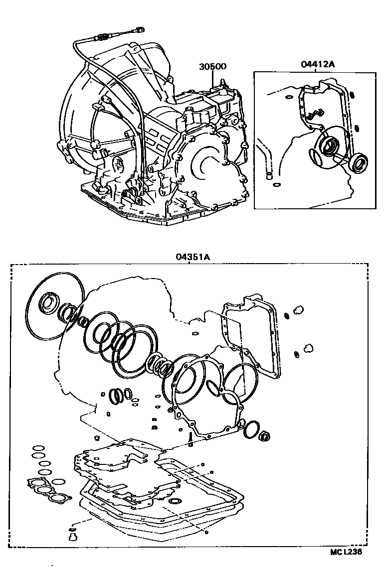
TRANSAXLE OR TRANSMISSION ASSY & GASKET KIT (ATM)

Parts diagram
04351AGASKET KIT, TRANSAXLE OVERHAUL(ATM)
main04351-10030i199009-199402
main04351-10040i199208-199409
main04351-10050i199402-199409
main04351-16060i199208-199409
04412AGASKET KIT, DIFFERENTIAL CARRIER(ATM)
main04412-10031i199009-199409
30500TRANSAXLE ASSY, AUTOMATIC
main30500-16260i199009-199203
main30500-16261i199203-199208
main30500-16300i199009-199205
main30500-16301i199208-199409
main30500-16310i199009-199205
main30500-16311i199205-199208
main30500-16320i199009-199208
main30500-16330i199009-199409
main30500-16340i199208-199409
main30500-16360i199208-199409
main30500-16430i199208-199409

3 parts on this diagram · 2 diagrams in section

TRANSAXLE OR TRANSMISSION ASSY & GASKET KIT (ATM) — Toyota Parts Diagram with OEM Numbers & Prices | EPC Data