E
EPC Data

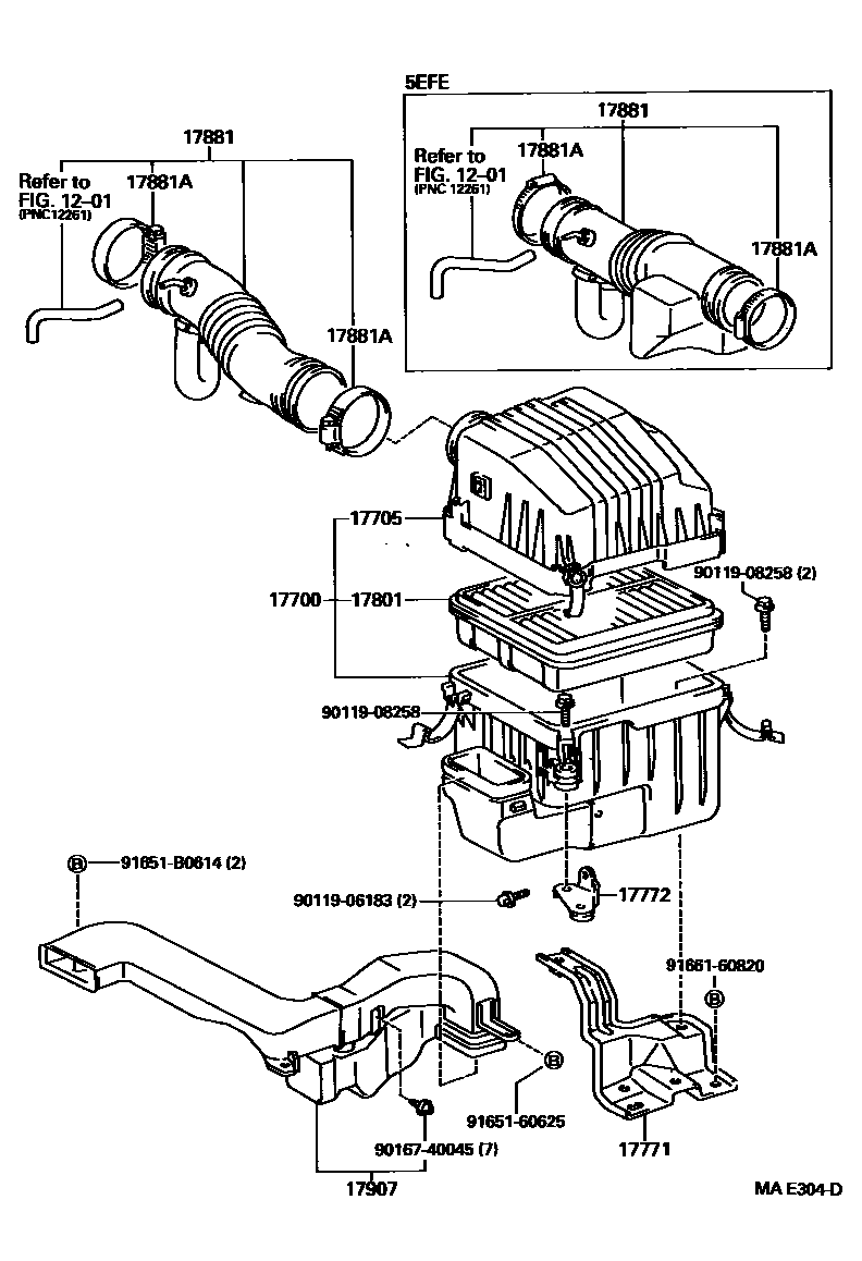
AIR CLEANER

Parts diagram
1201VENTILATION HOSE
17700CLEANER ASSY, AIR
main17700-11710i199009-199311
main17700-11850i199311-199409
main17700-55020i199009-199409
17705CAP SUB-ASSY, AIR CLEANER
main17705-11390i199311-199409
main17705-11500i199009-199311
main17705-55040i199009-199409
17771BRACKET, AIR CLEANER INLET DUCT
main17771-11100i199009-199409
17772BRACKET, INTAKE AIR CONNECTOR, NO.2
main17772-11020i199009-199409
17801ELEMENT SUB-ASSY, AIR CLEANER FILTER
main17801-11050i199009-199409
main17801-55020i199009-199409
17881HOSE, AIR CLEANER, NO.1
main17880-11070i199009-199409
main17880-11080i199009-199409
main17880-11110i199009-199409
main17880-55040i199009-199409
main17881-55050i199009-199409
17881ACLAMP(FOR AIR CLEANER HOSE, NO.1)
main90460-70003×2i199009-199409
main96111-10690×2i199009-199409
17907INLET SUB-ASSY, COOL AIR
main17880-11090i199009-199208
main17880-11180i199208-199409
9011906183
9011908258
9016740045
9165160625
91651B0614
9166160820

15 parts on this diagram · 2 diagrams in section

AIR CLEANER — Toyota Parts Diagram with OEM Numbers & Prices | EPC Data