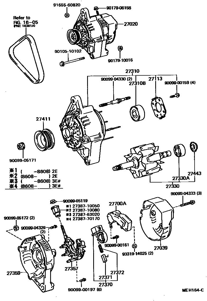
ALTERNATOR

1605
27039COVER, ALTERNATOR REAR END
12V 55A
12V 45A
27113PLATE, BEARING RETAINER, ALTERNATOR
12V 60A,70A
12V 55A,60A
12V 45A
27310FRAME ASSY, DRIVE END, ALTERNATOR
12V 45A
12V 60A
12V 60A
27310BBEARING(FOR ALTERNATOR DRIVE END FRAME)
12V 55A,60A
12V 60A,70A
27330ROTOR ASSY, ALTERNATOR
12V 55A
12V 55A
12V 60A,70A
12V 60A
12V 45A
27330ABEARING(FOR ALTERNATOR ROTOR)
12V 55A,60A
12V 45A
27357HOLDER, ALTERNATOR, W/RECTIFIER
12V 60A
12V 60A,70A
12V 55A
12V 45A
27359FRAME, ALTERNATOR RECTIFIER END
12V 55A
12V 45A
27370HOLDER ASSY, ALTERNATOR BRUSH
27371BRUSH, ALTERNATOR
27372SPRING, ALTERNATOR BRUSH
27411PULLEY, ALTERNATOR
12V 45A
12V 55A
12V 60A
12V 70A
12V 55A
12V 55A
27443COVER, ALTERNATOR BEARING
12V 45A,55A,60A
27700AREGULATOR ASSY, GENERATOR
12V 60A,70A
2738710050INSULATOR, TERMINAL
main27387-10050
2738710080INSULATOR, TERMINAL
main27387-10080
2738763020INSULATOR, TERMINAL
main27387-63020
2738770170INSULATOR, TERMINAL
main27387-70170
9009900159
main90099-00159
9009900161
main90099-00161
9009900197
main90099-00197
9009904329
main90099-04329
9009904330
main90099-04330
9009904333
main90099-04333
9009905119
main90099-05119
9009905171
main90099-05171
9009905172
main90099-05172
9010510102
main90105-10102
9017906158
main90179-06158
9017910016
main90179-10016
9165560820
main91655-60820
9331914025
main93319-14025
34 parts on this diagram · 2 diagrams in section