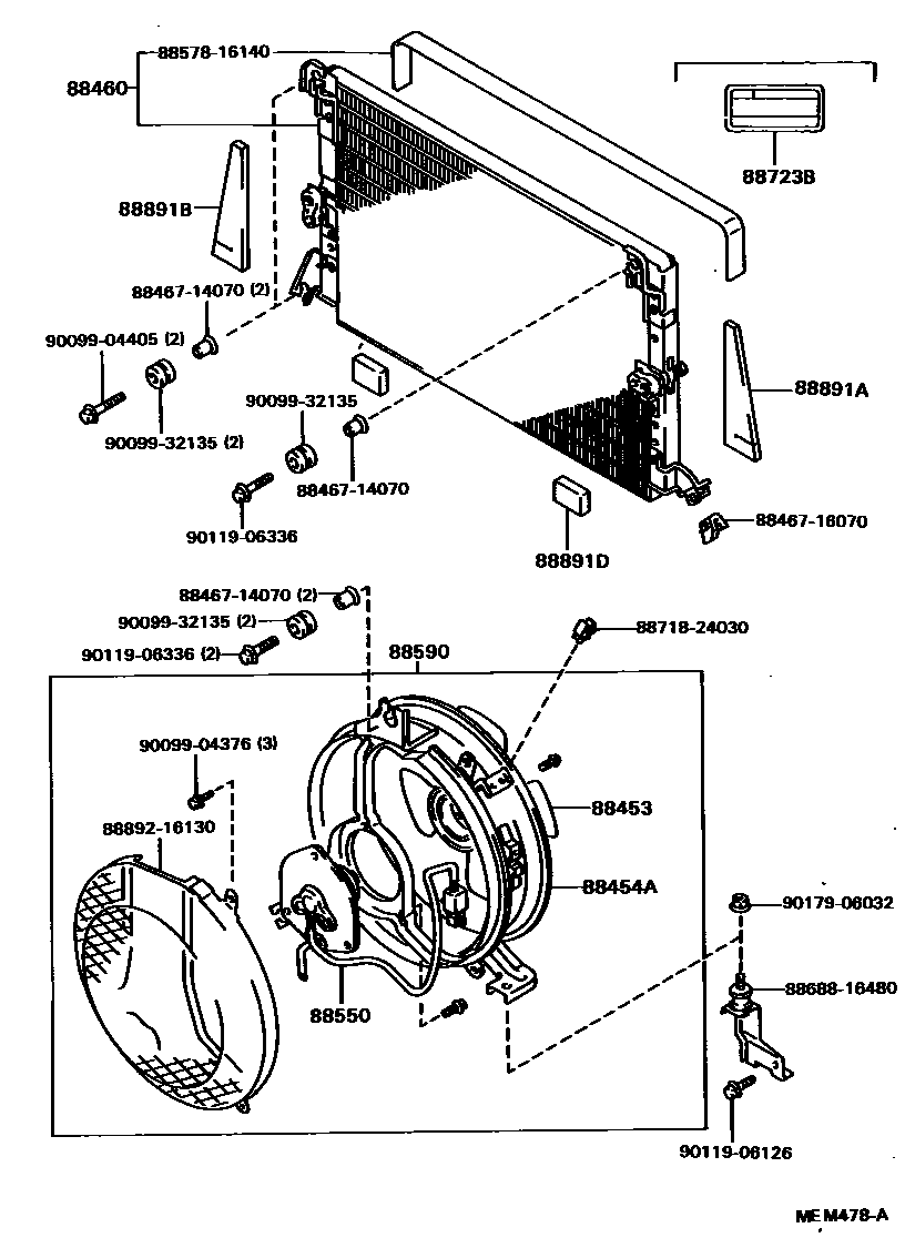
HEATING & AIR CONDITIONING - COOLER PIPING

88453FAN, COOLING (FOR CONDENSER)
main88453-12050iEL30..CUT,SOP; EL30..GX,TX,VC,VL; EL31..EX,VX; EL31..GX,VL; EL31..SXI,UX,VSI,VU198805-199009
88454ASHROUD, FAN
main88454-16100iEL30..CUT,SOP; EL30..GX,TX,VC,VL; EL31..EX,VX; EL31..GX,VL; EL31..SXI,UX,VSI,VU198805-199009
88460CONDENSER ASSY, COOLER
main88460-16210iEL30..CUT,SOP; EL30..GX,TX,VC,VL; EL31..EX,VX; EL31..GX,VL; EL31..SXI,UX,VSI,VU198805-199009
88550MOTOR ASSY, BLOWER (FOR CONDENSER)
main88550-12120iEL30..CUT,SOP; EL30..GX,TX,VC,VL; EL31..EX,VX; EL31..GX,VL; EL31..SXI,UX,VSI,VU198805-199009
88590BLOWER ASSY, W/SHROUD
main88590-16030iEL30..CUT,SOP; EL30..GX,TX,VC,VL; EL31..EX,VX; EL31..GX,VL; EL31..SXI,UX,VSI,VU198805-199009
88723BLABEL, COOLER SERVICE CAUTION
main88723-12040iEL30..CUT,SOP; EL30..GX,TX,VC,VL; EL31,NL30..EX,VX; EL31,NL30..GX,TX,VC,VL; EL31..SXI,UX,VSI,VU198910-199009
88891APACKING A (FOR COOLER)
main88578-16150iEL30..CUT,SOP; EL30..GX,TX,VC,VL; EL31,NL30..EX,VX; EL31,NL30..GX,TX,VC,VL; EL31..SXI,UX,VSI,VU198805-199009
88891BPACKING B (FOR COOLER)
main88578-16150iEL30..CUT,SOP; EL30..GX,TX,VC,VL; EL31,NL30..EX,VX; EL31,NL30..GX,TX,VC,VL; EL31..SXI,UX,VSI,VU198805-199009
88891DPACKING D (FOR COOLER)
main88578-16160×2iEL30..CUT,SOP; EL30..GX,TX,VC,VL; EL31,NL30..EX,VX; EL31,NL30..GX,TX,VC,VL; EL31..SXI,UX,VSI,VU198805-199009
8846714070CUSHION, COOLER CONDENSER, NO.1
main88467-14070
8846716070CUSHION, COOLER CONDENSER, NO.1
main88467-16070
8857816140PAKING, COOLER AIR DUCT
main88578-16140
8868816480BRACKET, COOLER DIAPHRAGM
main88688-16480
8871824030PIPE, COOLER REFRIGERANT SUCTION, NO.2
main88718-24030
8889216130BRACKET, COOLER EVAPORATOR MOUNTING
main88892-16130
9009904376
main90099-04376
9009904405
main90099-04405
9009932135
main90099-32135
9011906126
main90119-06126
9011906336
main90119-06336
9017906032
main90179-06032
21 parts on this diagram · 6 diagrams in section