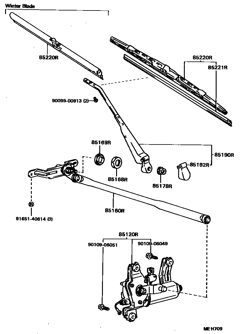
REAR WIPER

85120RMOTOR AND BRACKET ASSY, REAR WIPER
85168RNUT, REAR WIPER LINK PIVOT, NO.1
85169RWASHER, REAR WIPER LINK PIVOT, NO.1
85192RCOVER, REAR WIPER ARM
sub85192-13060
85220RBLADE ASSY, REAR WIPER
sub85220-22531
85221RBLADE, REAR WIPER
sub85214-12H90
9009900913
main90099-00913
9010906049
main90109-06049
9010906051
main90109-06051
9165140614
main91651-40614
13 parts on this diagram · 1 diagram in section