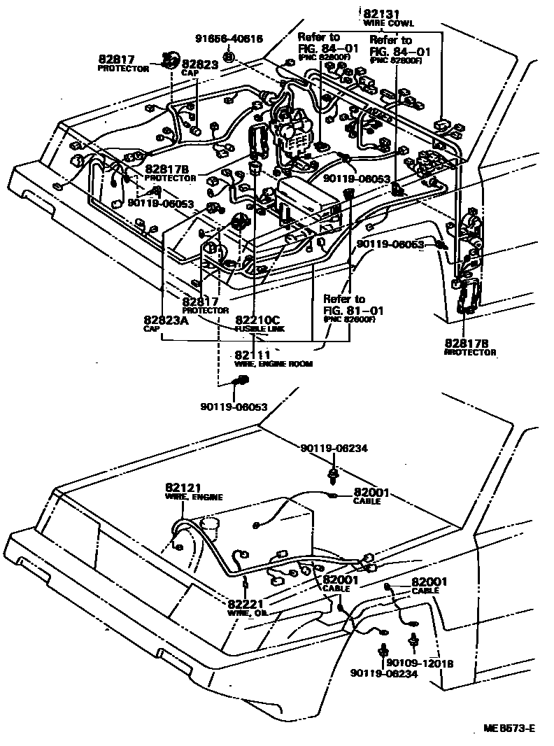
WIRING & CLAMP

8101HEADLAMP
82001CABLE, BOND, NO.1
L=320,CLUCH-FLOOR
L=350,ENGINE-DASH
L=140,MISSION-FLOOR
L=210,MISSION-FLOOR
L=350,ENGINE-DASH
82111WIRE, ENGINE ROOM MAIN
W/KNOCK CONTROL
W/KNOCK CONTROL
82121WIRE, ENGINE
W/KNOCK CONTROL
W/KNOCK CONTROL
82131WIRE, COWL
W/REMOTE CONTROL MIRROR
W/REMOTE CONTROL MIRROR
82221WIRE, OIL PRESSURE SWITCH
82817PROTECTOR, WIRING HARNESS, NO.1
82817BPROTECTOR, WIRING HARNESS, NO.3
RH
LH
82823ACAP, TERMINAL, NO.2
ALTERNATOR
ALTERNATOR
8401SWITCH & RELAY & COMPUTER
9010912018
main90109-12018
9011906053
main90119-06053
9011906234
main90119-06234
9011906653
main90119-06653
9165640616
main91656-40616
17 parts on this diagram · 5 diagrams in section