HEATING & AIR CONDITIONING - COOLER PIPING

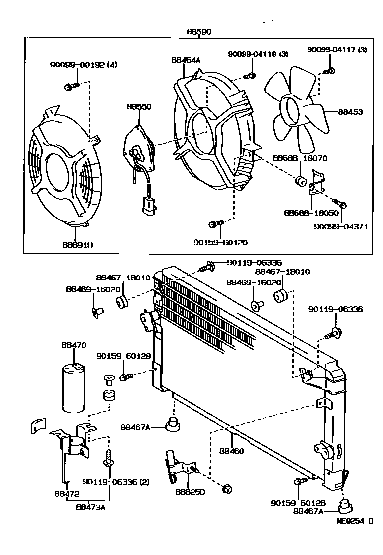
88453FAN, COOLING (FOR CONDENSER)
88460CONDENSER ASSY, COOLER
88467ACUSHION, COOLER CONDENSER, NO.2
88470RECEIVER & DRYER ASSY, COOLER
88472BRACKET, RECEIVER TANK, NO.1
88550MOTOR ASSY, BLOWER (FOR CONDENSER)
88590BLOWER ASSY, W/SHROUD
88891HCOVER, COOLER, NO.1
8846718010CUSHION, COOLER CONDENSER, NO.1
main88467-18010
8846916020SWITCH, PRESSURE CONTROL
main88469-16020
8868818050BRACKET, COOLER DIAPHRAGM
main88688-18050
8868818070BRACKET, COOLER DIAPHRAGM
main88688-18070
9009900192
main90099-00192
9009904117
main90099-04117
9009904119
main90099-04119
9009904371
main90099-04371
9011906336
main90119-06336
9015960120
main90159-60120
9015960128
main90159-60128
22 parts on this diagram · 3 diagrams in section