E
EPC Data

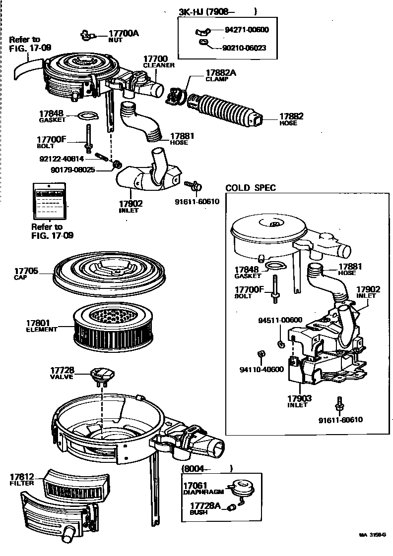
AIR CLEANER

Parts diagram
17061DIAPHRAGM SUB-ASSY
main17061-13010i198004-198108
main17061-13020i198108-198409
1709
17700CLEANER ASSY, AIR
main17700-13020i197802-197805
main17700-13021i197805-197809
main17700-13022i197809-197903
main17700-13023i197903-198005
main17700-13090i197903-198005
main17700-13160i198005-198108
main17700-13290i198108-198208
main17700-13291i198208-198409
main17700-13340i198208-198409
main17700-13360i198201-198208
main17700-13361i198208-198409
main17700-24520i197810-198005
main17700-24581i198005-198201
COLD SPEC
main17700-24590i198005-198201
17700ANUT, WING(FOR AIR CLEANER)
main90175-06003i197802-197908
main94271-00600i197810-198201
17700FBOLT, STUD(FOR AIR CLEANER SETTING)
main90116-06142i197802-198409
17705CAP SUB-ASSY, AIR CLEANER
main17705-13010i197802-197908
main17705-13011i197908-198108
main17705-13050i197908-198201
main17705-13060i198108-198409
main17705-13070i198208-198409
17728VALVE, THERMOSTATIC
main17728-13010i198005-198108
main17728-13040i198201-198409
main17728-24011i197802-198005
17728ABUSH
main90386-03001i198004-198201
COLD SPEC
17801ELEMENT SUB-ASSY, AIR CLEANER FILTER
main17801-13010i197802-198409
main17801-24010i198208-198409
17812FILTER, AIR CLEANER, NO.2
main17812-31010i197802-198409
17848GASKET, AIR CLEANER TO CARBURETOR
main17848-13010i198108-198409
main17848-24010i197802-198108
main90430-63187i197810-198201
17881HOSE, AIR CLEANER, NO.1
main17881-13010i197802-197903
L=120
main17881-13050i197903-198108
L=140
main17881-13060i198208-198409
main17881-26020i198108-198409
17882HOSE, AIR CLEANER, NO.2
main17882-13020i197802-198005
main17882-13021i198005-198108
main17882-13022i198208-198409
main17882-13040i198208-198304
17882ACLAMP(FOR AIR CLEANER HOSE, NO.2)
main53294-10030i198304-198409
NO.3 HOSE SIDE
main90460-01023i198108-198208
main90460-47036i197802-198108
17902INLET SUB-ASSY, HOT AIR INTAKE, NO.1
main17167-13010i198201-198409
COLD SPEC
main17167-13020i198108-198409
main17167-13040i198108-198201
COLD SPEC
main17167-24020i197810-198108
COLD SPEC
main17895-13010i198201-198409
main17895-24010i197810-198108
17903INLET SUB-ASSY, HOT AIR INTAKE, NO.2
main17168-13010i197802-198108
COLD SPEC
main17168-13020i198108-198409
COLD SPEC
main17168-24020i197810-198201
COLD SPEC
9017908025
9021006023
9161160610
9212240814
9411040600
9427100600
9451100600

23 parts on this diagram · 6 diagrams in section

AIR CLEANER — Toyota Parts Diagram with OEM Numbers & Prices | EPC Data