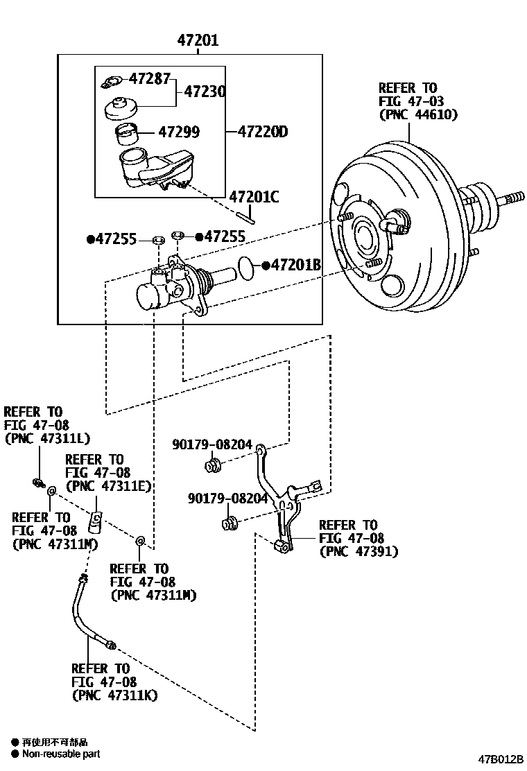
BRAKE MASTER CYLINDER

4703BRAKE BOOSTER & VACUUM TUBE
4708BRAKE TUBE & CLAMP
47201CYLINDER SUB-ASSY, BRAKE MASTER
47201BRING, O(FOR BRAKE MASTER CYLINDER)
47201CRING PIN, BRAKE MASTER CYLINDER
47220DRESERVOIR ASSY, BRAKE MASTER CYLINDER
47230CAP ASSY, BRAKE MASTER CYLINDER RESERVOIR FILLER
47255GROMMET, MASTER CYLINDER RESERVOIR
47287LABEL, BRAKE FLUID INFORMATION
47299STRAINER, BRAKE MASTER CYLINDER RESERVOIR
9017908204
main90179-08204
11 parts on this diagram · 1 diagram in section