E
EPC Data

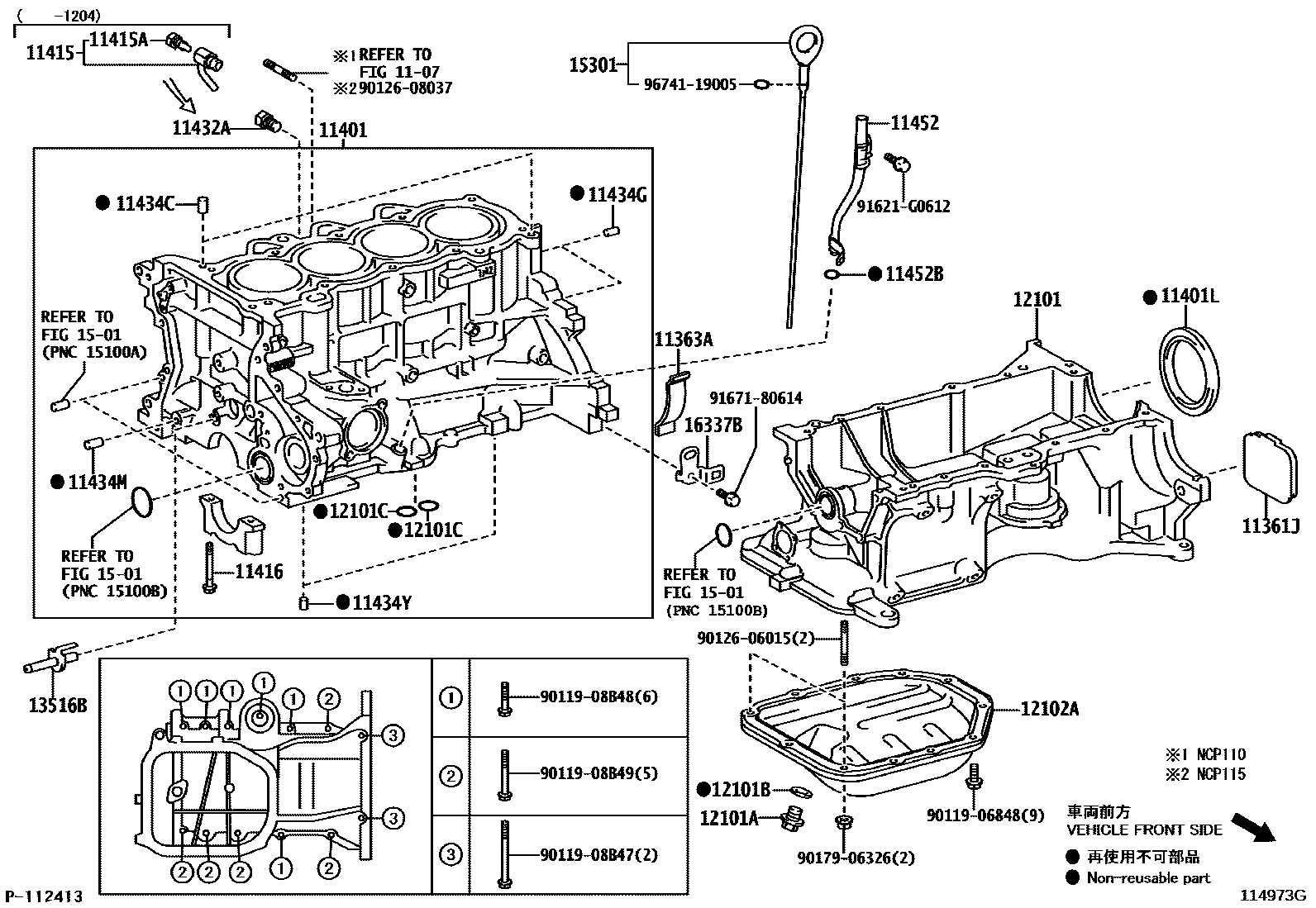
CYLINDER BLOCK

Parts diagram
11361JCOVER, FLYWHEEL HOUSING UNDER
main11361-21011i200707
11363ACOVER, FLYWHEEL HOUSING SIDE
main11363-21010i200707
11401BLOCK SUB-ASSY, CYLINDER
main11401-29865i200707-200812
main11401-29866i200812-201111
main11401-29867i201111-201204
main11401-29868i201204-201512
main11401-80882i201512
main11410-39025i200707-200801
main11410-39055i200801-200904
main11410-39057i200904-201008
11401LSEAL, ENGINE REAR OIL
main90311-75016i200707-201201
main90311-75019i201201-201603
main90311-76002i200707-201008
11415COCK SUB-ASSY, WATER DRAIN(FOR CYLINDER BLOCK)
main90910-09107i200707-201204
main90910-09129i200707-201002
11415APLUG, WATER DRAIN COCK(FOR CYLINDER BLOCK)
main90910-09087i200707-201002
11416BOLT(FOR CRANKSHAFT BEARING CAP SET)
main90910-02125×10i200707
main90910-02163×10i200707-201008
11432APLUG, W/HEAD TAPER SCREW, NO.1
main90345-52001i201002-201008
main90345-53006i200707-201008
11434CPIN, STRAIGHT (FOR CYLINDER HEAD SET)
main90250-04097×2i200707-201008
main90250-08120×2i200707
11434GPIN, STRAIGHT(FOR END PLATE)
main90250-10113×2i200707
11434MPIN, STRAIGHT(FOR CHAIN TENSIONER)
main90250-10030i200707-201008
11434YPIN, STRAIGHT(FOR OIL PAN)
main90250-08074×2i200707-200903
main90250-08120×2i200707
11452GUIDE, OIL LEVEL GAGE
main11452-21030i200707
main11452-37010i200707-201008
11452BRING, O(FOR OIL LEVEL GAGE GUIDE)
main96721-19010i200707-201008
12101PAN SUB-ASSY, OIL
main12111-21033i200707
12101APLUG(FOR OIL PAN DRAIN)
main90341-12012i200707
12101BGASKET(FOR OIL PAN DRAIN PLUG)
main90430-12031i200707
12101CRING, O(FOR OIL PAN)
main96722-24020×2i200707
12102APAN SUB-ASSY, OIL, NO.2
main12102-21010i200707
main12102-37010i200707-201008
13516BJET, OIL
main13516-21010i200707-201312
main13516-21011i201401
1501ENGINE OIL PUMP
15301GAGE SUB-ASSY, OIL LEVEL
main15301-21030i200707-200709
main15301-21040i200709-201203
main15301-21060i201203
main15301-37010i200707-201008
16337BSTAY, WATER OUTLET, NO.1
main16337-21010i200707
9011906848
9011908B47
9011908B48
9011908B49
9012606015
9012608037
9017906326
91621G0612
9167180614
9674119005

34 parts on this diagram · 3 diagrams in section

CYLINDER BLOCK — Toyota Parts Diagram with OEM Numbers & Prices | EPC Data