E
EPC Data

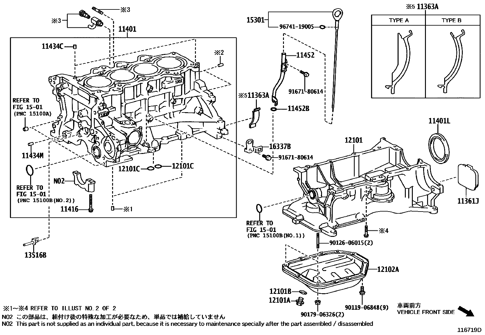
CYLINDER BLOCK

Parts diagram
11361JCOVER, FLYWHEEL HOUSING UNDER
main11361-21011i201011-201405
11363ACOVER, FLYWHEEL HOUSING SIDE
main11363-21010i201207-201405
main11363-33010i201405
main11363-40010i201405
11401BLOCK SUB-ASSY, CYLINDER
main11401-29866i201011-201111
main11401-29867i201111-201204
main11401-29868i201204-201405
main11401-80882i201512
main11410-49025i201011-201307
main11410-49026i201307-201309
main11410-49028i201309-201405
main11410-49055i201405
11401LSEAL, ENGINE REAR OIL
main90311-75018i201011-201201
main90311-75019i201405-201603
main90311-75022i201604
main90311-78003i201011-201305
main90311-78004i201405
main90311-78005i201305-201405
main90311-99012i201111-201405
11416BOLT(FOR CRANKSHAFT BEARING CAP SET)
main90910-02125×10i201405
main90910-02175×10i201405
11434CPIN, STRAIGHT (FOR CYLINDER HEAD SET)
main90250-08120×2i201011-201405
11434MPIN, STRAIGHT(FOR CHAIN TENSIONER)
main90250-10030i201011-201405
11452GUIDE, OIL LEVEL GAGE
main11409-47011i201011-201207
main11409-47012i201405
main11452-21030i201405
11452BRING, O(FOR OIL LEVEL GAGE GUIDE)
main96721-19010i201405
main96741-19010i201405
12101PAN SUB-ASSY, OIL
main12101-47070i201405-201607
main12101-47100i201011-201207
main12101-47101i201207-201405
main12111-21033i201011-201208
main12111-21080i201405-201607
12101APLUG(FOR OIL PAN DRAIN)
main90341-12012i201405
main90341-12032i201405
12101BGASKET(FOR OIL PAN DRAIN PLUG)
main90430-12031i201405
12101CRING, O(FOR OIL PAN)
main90301-09031i201405
main90301-19023i201011-201405
main96722-24020×2i201011-201405
12102APAN SUB-ASSY, OIL, NO.2
main12102-21010i201405
13516BJET, OIL
main13516-21010i201011-201312
main13516-21011i201401-201405
main13516-40010i201011-201405
1501ENGINE OIL PUMP
15301GAGE SUB-ASSY, OIL LEVEL
main15301-21040i201011-201203
main15301-21060i201203-201405
main15301-47050i201011-201405
main15301-47060i201405
16337BSTAY, WATER OUTLET, NO.1
main16337-21010i201011-201405
9011906848
9012606015
9017906326
9167180614
9674119005

23 parts on this diagram · 6 diagrams in section

CYLINDER BLOCK — Toyota Parts Diagram with OEM Numbers & Prices | EPC Data