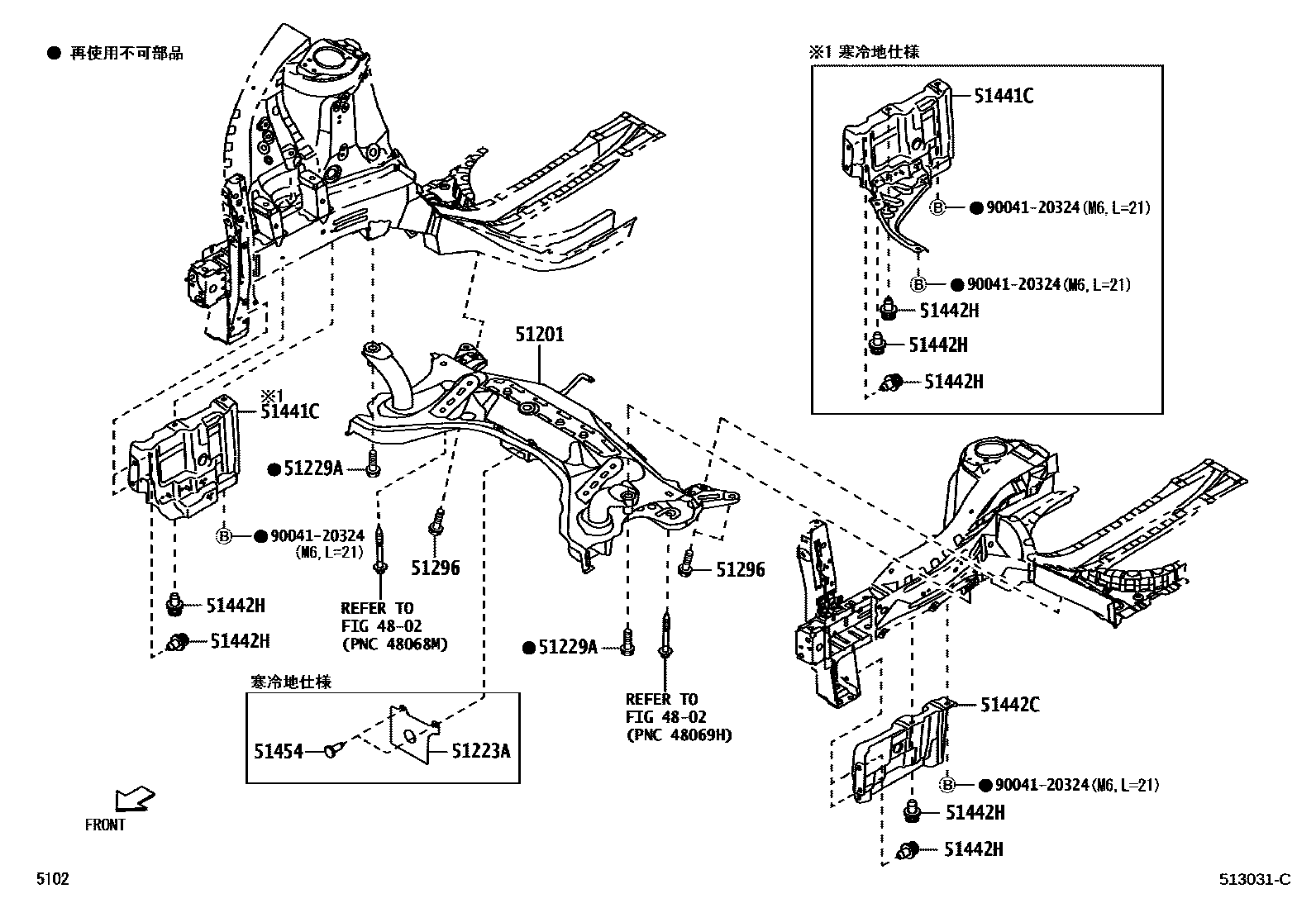
SUSPENSION CROSSMEMBER & UNDER COVER

4802FRONT AXLE ARM & STEERING KNUCKLE
51201CROSSMEMBER SUB-ASSY, FRONT SUSPENSION
51223ACOVER, ENGINE MOUNTING HOLE
51229ABOLT, FRONT SUSPENSION MEMBER MOUNTING
51296BOLT, FRONT SUSPENSION MEMBER MOUNTING
51441CCOVER, ENGINE UNDER, RH
51442CCOVER, ENGINE UNDER, LH
51442HCLIP, ENGINE UNDER COVER, NO.2
51454CLIP
9004120324
main90041-20324
10 parts on this diagram · 2 diagrams in section