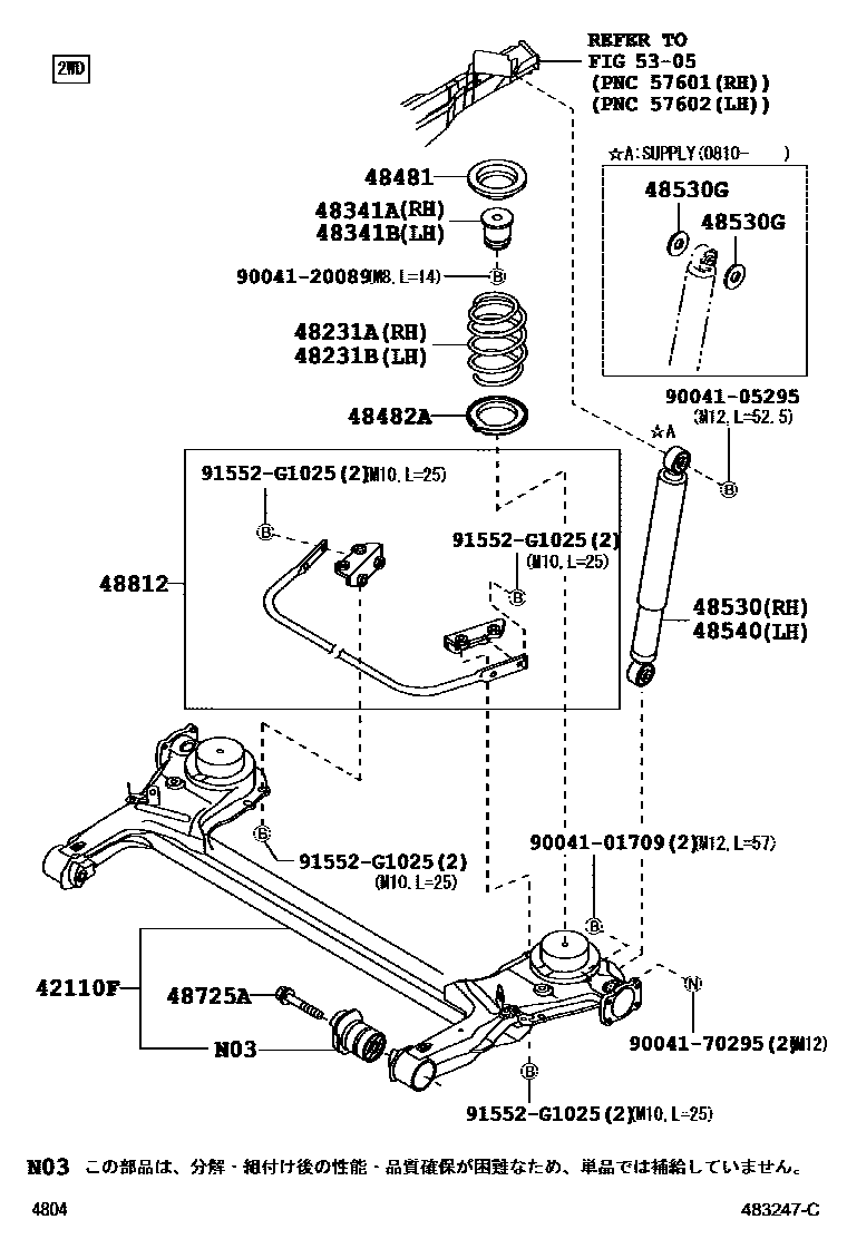
REAR SPRING & SHOCK ABSORBER

42110FBEAM ASSY, REAR AXLE
48231ASPRING, COIL, REAR RH
48231BSPRING, COIL, REAR LH
48341ABUMPER, REAR SPRING, NO.1 RH
48341BBUMPER, REAR SPRING, NO.1 LH
48481SEAT, REAR SPRING, UPPER
48482ASEAT, REAR SPRING, LOWER
48530ABSORBER ASSY, SHOCK, REAR RH
48530GCUSHION, REAR SHOCK ABSORBER, NO.1
48540ABSORBER ASSY, SHOCK, REAR LH
48725ABOLT(FOR LOWER CONTROL ARM)
48812BAR, STABILIZER, REAR
5305FLOOR SIDE MEMBER
9004101709
main90041-01709
9004105295
main90041-05295
9004120089
main90041-20089
9004170295
main90041-70295
91552G1025
main91552-G1025
18 parts on this diagram · 2 diagrams in section