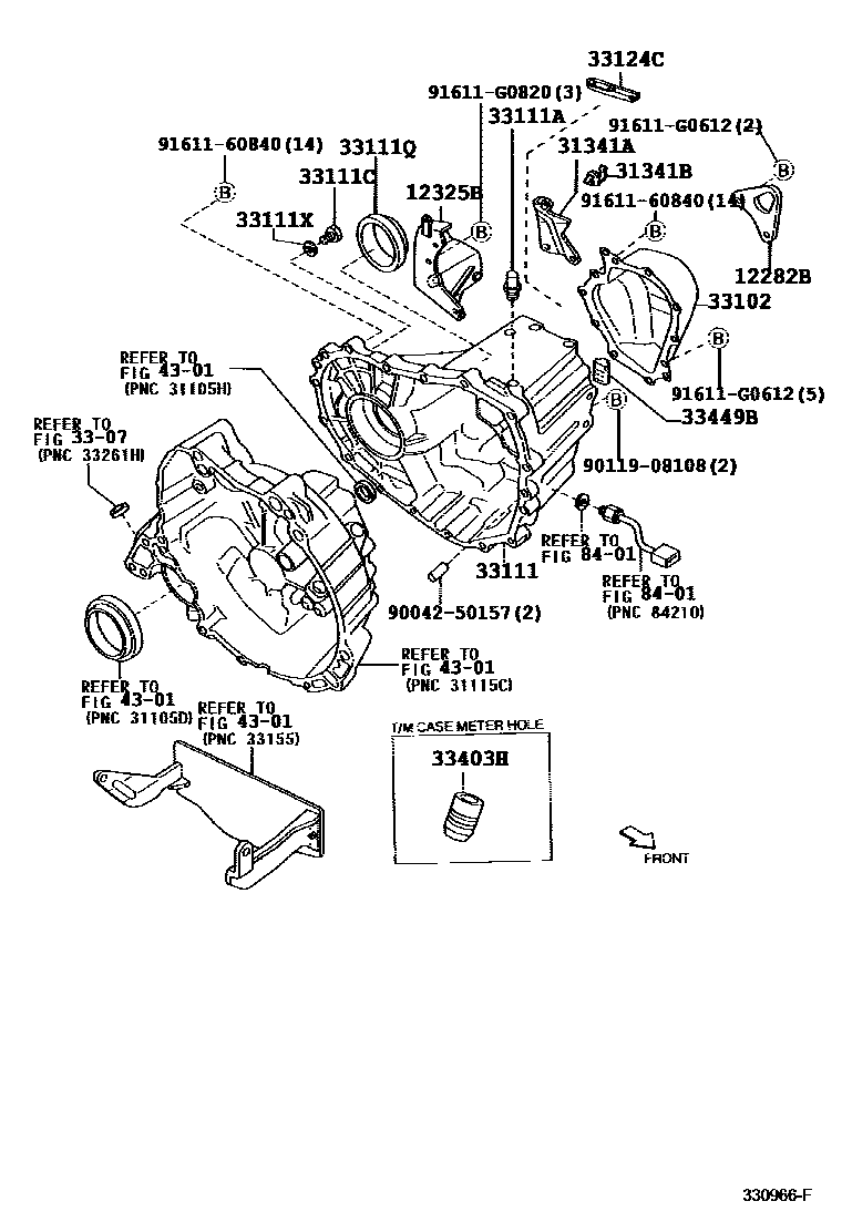
CLUTCH HOUSING & TRANSMISSION CASE (MTM)

12282BHANGER, TRANSAXLE
12325BBRACKET, TRANSAXLE MOUNTING
31341BCLAMP(FOR CLUTCH CABLE)
3307GEAR SHIFT FORK & LEVER SHAFT (MTM)
33102COVER SUB-ASSY, MANUAL TRANSMISSION CASE
33111CASE, MANUAL TRANSMISSION
33111APLUG, MANUAL TRANSMISSION CASE
33111CPLUG(FOR TRANSMISSION CASE)
33111QSEAL, OIL(FOR TRANSMISSION CASE)
33111XGASKET, TRANSMISSION CASE PLUG
33124CPIPE, OIL RECEIVER, NO.1(MTM)
33403HCOVER SUB-ASSY, SPEEDOMETER DRIVEN HOLE
33449BMAGNET, TRANSMISSION
4301FRONT AXLE HOUSING & DIFFERENTIAL
8401SWITCH & RELAY & COMPUTER
9004250157
main90042-50157
9011908108
main90119-08108
9161160840
main91611-60840
91611G0612
main91611-G0612
91611G0820
main91611-G0820
21 parts on this diagram · 2 diagrams in section