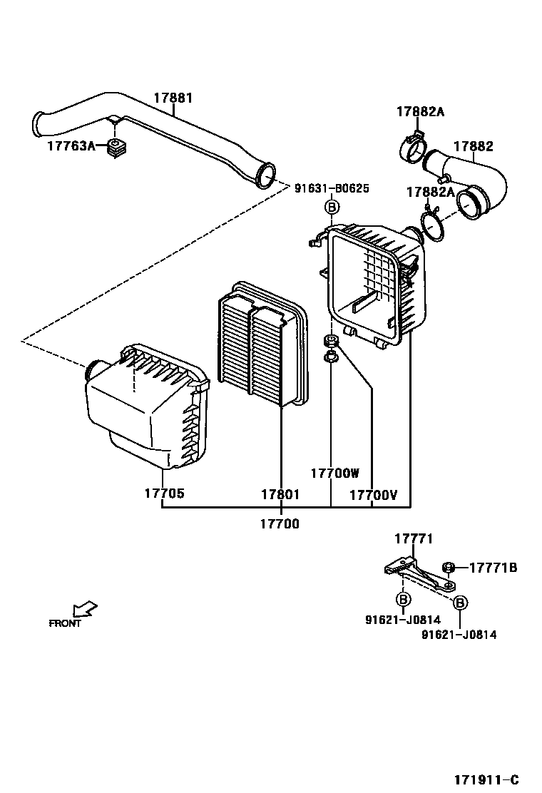
AIR CLEANER

17700VBUSH(FOR AIR CLEANER)
17700WSPACER(FOR AIR CLEANER)
17705CAP SUB-ASSY, AIR CLEANER
17763STAY, AIR CLEANER INLET DUCT
17763AGROMMET, AIR CLEANER INLET DUCT
17771BRACKET, AIR CLEANER INLET DUCT
17771BGROMMET(FOR AIR CLEANER BRACKET)
17801ELEMENT SUB-ASSY, AIR CLEANER FILTER
17882HOSE, AIR CLEANER, NO.2
17882ACLAMP(FOR AIR CLEANER HOSE, NO.2)
91621J0814
main91621-J0814
91631B0625
main91631-B0625
14 parts on this diagram · 2 diagrams in section