E
EPC Data

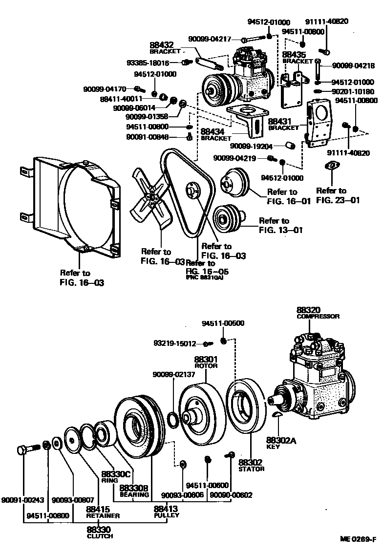
HEATING & AIR CONDITIONING - COMPRESSOR

Parts diagram
1301CRANKSHAFT & PISTON
1601WATER PUMP
1603RADIATOR & WATER OUTLET
2301FUEL PUMP & PIPE
88301ROTOR SUB-ASSY, MAGNET CLUTCH
main88401-12010i196904-197010
main88401-12030i197010-197112
main88401-12032i197201-197310
main88401-14030i197511-198201
main88401-14040i197601-197802
main88412-14020i198201-198808
88302STATOR SUB-ASSY, MAGNET CLUTCH
main88411-12010i196904-197010
main88411-12020i197010-197112
main88411-12021i197201-197310
main88411-12050i197601-197802
main88411-14010i197511-198201
main88411-14050i198201-198808
88302AKEY, COOLER MAGNET CLUTCH STATOR
main90099-13008i196904-197010
88320COMPRESSOR ASSY, COOLER
main88320-10010i197511-198201
main88320-10020i197601-197802
main88320-12022i196904-197010
main88320-12150i198201-198808
main88320-20060i197201-197310
88330CLUTCH ASSY, MAGNET
main88410-12010i196904-197010
main88410-12020i197010-197112
main88410-12022i197201-197310
main88410-14020i197511-198201
main88410-14050i197601-197802
main88410-14100i198201-198808
88330BBEARING, MAGNET CLUTCH
main90099-10083×2i196904-197112
main90099-10133i198201-198808
88330CRING, SNAP (FOR MAGNET CLUTCH)
main88415-60040i197010-197112
main90096-90007i197201-197310
main90099-07001i196904-197010
main90099-07114i198201-198808
88413PULLEY SUB-ASSY, MAGNET CLUTCH
main88413-12010i196904-197010
88415RETAINER, MAGNET CLUTCH BEARING, NO.1
main88415-12010i196904-197010
main88415-12040i197201-197310
main88415-60030i197010-197112
88431BRACKET, COMPRESSOR MOUNTING, NO.1
main88431-10020i198201-198808
main88431-12011i196904-197010
main88431-12040i197010-197112
main88431-12041i197304-197310
main88431-12042i197511-198201
main88431-12140i197601-197802
88432BRACKET, COMPRESSOR MOUNTING, NO.2
main88437-12020i196904-197010
main88437-12041i197201-197310
main88437-12043i197404-197511
main88437-12110i197601-197802
main88437-12180i198201-198808
88434BRACKET, COMPRESSOR MOUNTING, NO.4
main88434-12012i196904-197010
88435BRACKET, COMPRESSOR MOUNTING, NO.5
main88437-12010i196904-197010
8841140011
9009000602
9009100243
9009100848
9009300606
9009300807
9009901358
9009902137
9009904170
9009904217
9009904218
9009904219
9009906014
9009919204
9020110180
9111140820
9321915012
9338518016
9451100500
9451100600
9451100800
9451201000

40 parts on this diagram · 3 diagrams in section

HEATING & AIR CONDITIONING - COMPRESSOR — Toyota Parts Diagram with OEM Numbers & Prices | EPC Data