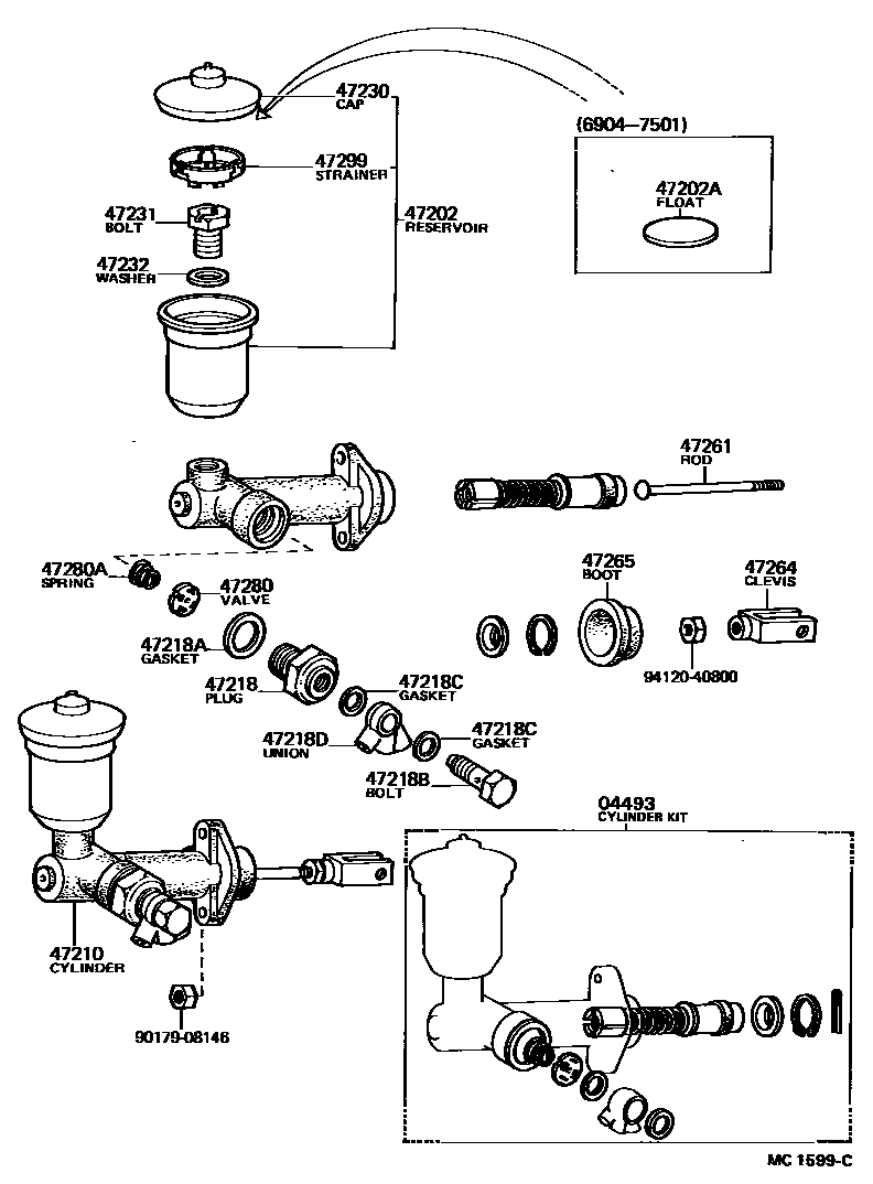
BRAKE MASTER CYLINDER

04493CYLINDER KIT, BRAKE MASTER
SINGLE M/C
DRUM BRAKE
DISC BRAKE
TANDEM M/C
TANDEM M/C
TANDEM M/C
47202RESERVOIR SUB-ASSY, BRAKE MASTER CYLINDER
DRUM BRAKE
DISC BRAKE
TANDEM M/C
DRUM BRAKE
DRUM BRAKE
DISC BRAKE
DISC BRAKE
DRUM BRAKE
47202AFLOAT, MASTER CYLINDER RESERVOIR
TANDEM M/C
DISC BRAKE
SINGLE M/C
DRUM BRAKE
47210CYLINDER ASSY, MASTER, W/O BOOSTER
DRUM BRAKE
TANDEM M/C
DISC BRAKE
DISC BRAKE
DRUM BRAKE
DRUM BRAKE
DRUM BRAKE
DISC BRAKE
47218PLUG, MASTER CYLINDER FLUID OUTLET
47218AGASKET(FOR FLUID OUTLET PLUG)
47218BBOLT, UNION(FOR MASTER CYLINDER FLUID OUTLET)
47218CGASKET(FOR MASTER CYLINDER FLUID OUTLET)
47218DUNION(FOR MASTER CYLINDER FLUID OUTLET)
47230CAP ASSY, BRAKE MASTER CYLINDER RESERVOIR FILLER
TANDEM M/C
TANDEM M/C,FR DISC BRAKE
TANDEM M/C,FR DRUM BRAKE
47265BOOT, MASTER CYLINDER
SINGLE M/C
TANDEM M/C
47280VALVE ASSY, BRAKE MASTER CYLINDER OUTLET CHECK
DISC BRAKE
SINGLE M/C
47299STRAINER, BRAKE MASTER CYLINDER RESERVOIR
DISC BRAKE
9017908146
main90179-08146
9412040800
main94120-40800
20 parts on this diagram · 3 diagrams in section