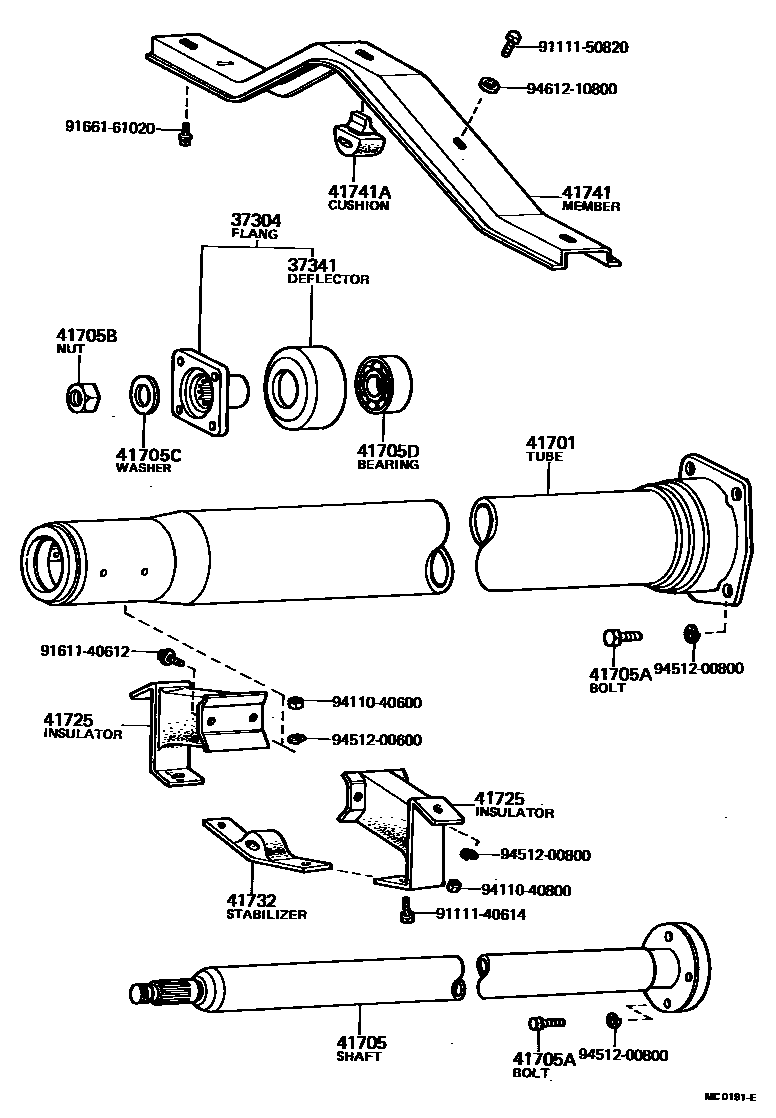
PROPELLER SHAFT & UNIVERSAL JOINT

37304FLANGE SUB-ASSY, UNIVERSAL JOINT
37341DEFLECTOR, PROPELLER SHAFT DUST, NO.1
41705SHAFT SUB-ASSY, DRIVE PINION EXTENSION
41705ABOLT, HEXAGON (FOR DRIVE PINION EXTENSION SHAFT)
*8-1.25PX20-15
41705BNUT, HEXAGON (FOR DRIVE PINION EXTENSION SHAFT)
ISO
41705CWASHER, PLATE (FOR DRIVE PINION EXTENSION SHAFT)
41705DBEARING (FOR DRIVE PINION EXTENSION SHAFT)
41732STABILIZER, TORQUE TUBE
41741MEMBER, FLOOR CROSS, CENTER
41741ACUSHION (FOR FLOOR CROSS CENTER MEMBER)
9111140614
main91111-40614
9111150820
main91111-50820
9161140612
main91611-40612
9166161020
main91661-61020
9411040600
main94110-40600
9411040800
main94110-40800
9451200600
main94512-00600
9451200800
main94512-00800
9461210800
main94612-10800
21 parts on this diagram · 2 diagrams in section