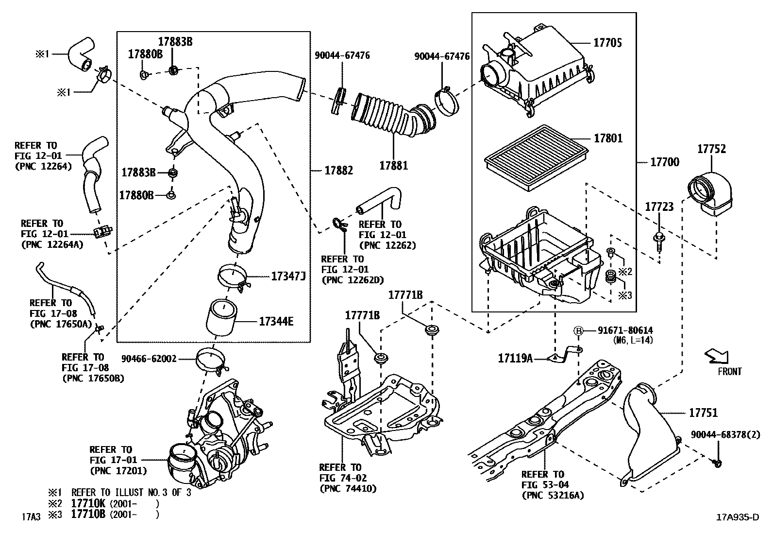
AIR CLEANER

1201VENTILATION HOSE
1701MANIFOLD
1708VACUUM PIPING
17119ABRACKET, AIR CLEANER
17344EHOSE, AIR, NO.4
17347JCLIP, AIR HOSE
17700CLEANER ASSY, AIR
17705CAP SUB-ASSY, AIR CLEANER
17710BGROMMET
17710KCOLLAR(FOR AIR CLEANER)
17723BOLT, AIR CLEANER CAP
17751INLET, AIR CLEANER, NO.1
17752INLET, AIR CLEANER, NO.2
17771BGROMMET(FOR AIR CLEANER BRACKET)
17801ELEMENT SUB-ASSY, AIR CLEANER FILTER
17880HOSE ASSY, AIR CLEANER
17880BCOLLAR(FOR AIR CLEANER HOSE)
17881HOSE, AIR CLEANER, NO.1
17882HOSE, AIR CLEANER, NO.2
17883BGROMMET, AIR CLEANER HOSE
5304FRONT FENDER APRON & DASH PANEL
7402BATTERY CARRIER
9004467476
main90044-67476
9004468378
main90044-68378
9046662002
main90466-62002
9167180614
main91671-80614
26 parts on this diagram · 6 diagrams in section