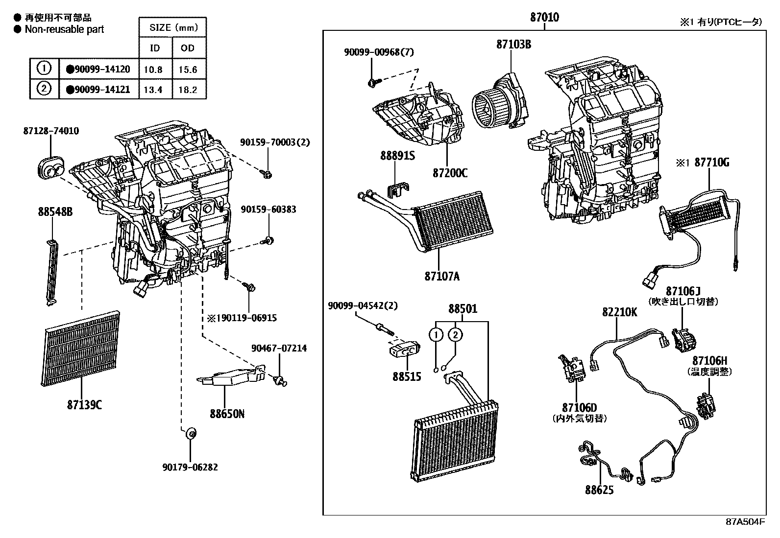
HEATING & AIR CONDITIONING - COOLER UNIT

82210KHARNESS ASSY, AIR CONDITIONER
87010UNIT ASSY, AIR CONDITIONER
87103BMOTOR SUB-ASSY, BLOWER W/FAN
87106DSERVO SUB-ASSY, DAMPER, NO.1
87106HSERVO SUB-ASSY, DAMPER(FOR AIRMIX)
87106JSERVO SUB-ASSY, DAMPER(FOR MODE)
87107AUNIT SUB-ASSY, HEATER RADIATOR
87200CACCESSORY ASSY, HEATER
88501EVAPORATOR SUB-ASSY, COOLER, NO.1
88515VALVE, COOLER EXPANSION
88548BCASE, AIR FILTER
88625THERMISTOR, COOLER, NO.1
88650NAMPLIFIER ASSY, AIR CONDITIONER
88891SCOVER, COOLER, NO.1
8712874010GROMMET, HEATER
main87128-74010
9009900968
main90099-00968
9009904542
main90099-04542
9009914120
main90099-14120
9009914121
main90099-14121
9011906915
main90119-06915
9015960383
main90159-60383
9015970003
main90159-70003
9017906282
main90179-06282
9046707214
main90467-07214
26 parts on this diagram · 2 diagrams in section