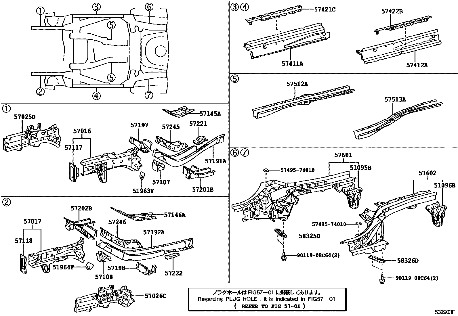
FLOOR SIDE MEMBER

51095BHOOK SUB-ASSY, TRANSPORT, REAR RH
51096BHOOK SUB-ASSY, TRANSPORT, REAR LH
51963FHOOK, TRANSPORT
51964FHOOK, TRANSPORT, LH
5701HOLE PLUG
57016REINFORCEMENT SUB-ASSY, FRONT SIDE MEMBER, RH
57017REINFORCEMENT SUB-ASSY, FRONT SIDE MEMBER, LH
57025DMEMBER SUB-ASSY, FRONT SIDE, OUTER RH
57026CMEMBER SUB-ASSY, FRONT SIDE, OUTER LH
57107BRACKET SUB-ASSY, STRUT BAR, RH
57108BRACKET SUB-ASSY, STRUT BAR, LH
57117PLATE SUB-ASSY, FRONT SIDE MEMBER, FRONT RH
57118PLATE SUB-ASSY, FRONT SIDE MEMBER, FRONT LH
57145AREINFORCEMENT, FRONT SIDE MEMBER, REAR RH
57146AREINFORCEMENT, FRONT SIDE MEMBER, REAR LH
57191AMEMBER, FRONT SIDE, INNER REAR RH
57192AMEMBER, FRONT SIDE, INNER REAR LH
57197BOX, TORQUE, FRONT RH
57198BOX, TORQUE, FRONT LH
57201BEXTENSION SUB-ASSY, FRONT SIDE MEMBER, RH
57202BEXTENSION SUB-ASSY, FRONT SIDE MEMBER, LH
57221BRACKET, FRONT SIDE MEMBER, RH
57222BRACKET, FRONT SIDE MEMBER, LH
57245REINFORCEMENT, FRONT SIDE MEMBER, NO.9 RH
57246REINFORCEMENT, FRONT SIDE MEMBER, NO.9 LH
57411AMEMBER, FLOOR SIDE, INNER RH
57412AMEMBER, FLOOR SIDE, INNER LH
57421CPLATE, FLOOR SIDE RAIL, RH
57422BPLATE, FLOOR SIDE RAIL, LH
57512AREINFORCEMENT, FRONT FLOOR, RH
57513AREINFORCEMENT, FRONT FLOOR, LH
57601MEMBER SUB-ASSY, REAR FLOOR SIDE, RH
57602MEMBER SUB-ASSY, REAR FLOOR SIDE, LH
58325DBRACE, REAR FLOOR PANEL, RH
58326DBRACE, REAR FLOOR PANEL, LH
5749574010PATCH, UPPER REAR FLOOR STRENGTH
main57495-74010
9011908C64
main90119-08C64
37 parts on this diagram · 1 diagram in section